Product list產品列表
- SWL(QWL)蝸輪絲桿升降機
- SCW系列軸裝式圓弧圓柱蝸桿減速機
- WCJ系列圓柱蝸桿減速機
- WD系列普通圓柱蝸桿減速器
- WHC系列圓弧齒圓柱蝸桿減速器
- WHS系列圓弧齒圓柱蝸桿減速機
- WHX系列圓弧齒圓柱蝸桿減速器
- WHT系列圓弧齒圓柱蝸桿減速機
- WSJ系列圓柱蝸桿減速機
- WS系列普通圓柱蝸桿減速器
- WXJ系列圓柱蝸桿減速機
- CWU系列圓弧圓柱蝸桿減速器
- CWS系列圓弧圓柱蝸桿減速器
- CWO系列圓弧圓柱蝸桿減速機
- 蝸輪升降機
- 無級變速減速機
- 行星擺線針輪減速機
- 支架
- 特種專用減速機
- 行星齒輪減速機
- 減速電機
- 蝸輪蝸桿減速機
- 齒輪減速機
- 電動滾筒
- 升降機
- 減速機配件
- 逆止器
- 異步電動機
- 聯軸器
- 離合器
- 更多企業推薦產品
Customer service在線客服
推薦產品
WHT系列圓弧齒圓柱蝸桿減速機 |
|||||||||||||||||||||||||||||||||||||||||||||||||||||||||||||||||||||||||||||||||||||||||||||||||||||||||||||||||||||||||||||||||||||||||||||||||||||||||||||||||||||||||||||||||||||||||||||||||||||||||||||||||||||||||||||||||||||||||||
![]()
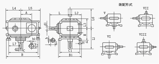
WHT系列圓弧齒圓柱蝸輪減速機型號說明及標記示例
1、本機結構為通用型單級傳動減速機 2、中心矩A mm 本系列規定為42、65、80、100共四種。 3、公稱傳動比: 本系列為8、10、12.5、16、20、25、31.5、40、50共九種。 4、裝配形式:用羅馬數字Ⅰ、Ⅱ、Ⅲ……表示,帶風扇的在后面加“F” 5、標記示例:
I--IV型外形尺寸
型號 尺寸 A B B1 C C1 H H1 H2 H3 L L1 L2 L3 n-d d1 (gc1) d2 (gc2) b b1 t t1 I I1 重量 kg WHT42 42 130 127 110 105 71 173 77 164 120 98 75 53 4-10 16 20 6 6 18.5 22.5 35 38 8 WHT65 65 180 150 155 126 63 215 105 212 144 124 96 63 4-10 20 25 6 8 22.5 28 40 45 16 WHT80 80 240 206 205 172 90 278 110 282 175 170 113 85 4-12 25 35 8 10 27.5 37.8 42 58 27~28 WHT100 100 292 238 250 196 105 331 135 335 210 205 133 93 4-15 30 45 8 14 32.5 48.2 58 82 42~44
WHT型Ⅴ—Ⅷ式安裝型式及尺寸
型號 尺寸 A B1 C C1 H L L1 L2 L3 L4 L5 L6 L7 n-d d1 (gc1) d2 (gc1) b b1 t t1 重量/kg WHT42 42 164 135 140 115 66.5 120 98 75 53 62 103 98 46 4-10 16 20 6 6 18.5 22.5 8 WHT65 65 205 180 177 160 78 144 134 96 63 90 110 134 77 4-10 20 25 6 8 22.5 28 16 WHT80 80 260 240 220 208 105 175 170 113 85 106 157 170 166 4-12 25 35 8 10 27.5 37.8 27~28 WHT100 100 313 290 268 250 118 210 207 133 95 129 190 207 192 4-15 30 45 8 14 32.5 48.2 42~44
|





