Product list產品列表
- SWL(QWL)蝸輪絲桿升降機
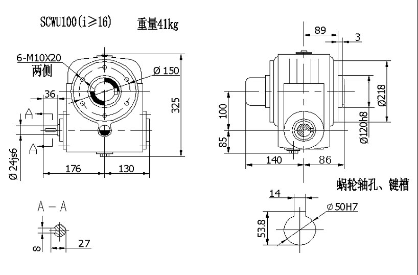
- SCW系列軸裝式圓弧圓柱蝸桿減速機
- WCJ系列圓柱蝸桿減速機
- WD系列普通圓柱蝸桿減速器
- WHC系列圓弧齒圓柱蝸桿減速器
- WHS系列圓弧齒圓柱蝸桿減速機
- WHX系列圓弧齒圓柱蝸桿減速器
- WHT系列圓弧齒圓柱蝸桿減速機
- WSJ系列圓柱蝸桿減速機
- WS系列普通圓柱蝸桿減速器
- WXJ系列圓柱蝸桿減速機
- CWU系列圓弧圓柱蝸桿減速器
- CWS系列圓弧圓柱蝸桿減速器
- CWO系列圓弧圓柱蝸桿減速機
- 蝸輪升降機
- 無級變速減速機
- 行星擺線針輪減速機
- 支架
- 特種專用減速機
- 行星齒輪減速機
- 減速電機
- 蝸輪蝸桿減速機
- 齒輪減速機
- 電動滾筒
- 升降機
- 減速機配件
- 逆止器
- 異步電動機
- 聯軸器
- 離合器
- 更多企業推薦產品
Customer service在線客服
推薦產品
SCW系列軸裝式圓弧圓柱蝸桿減速機 |
![]() ![]() SCW系列軸裝式圓弧蝸輪蝸桿減速機,按照JB/T6387-1992標準生產,采用直接套裝在工作機主軸上,實現減速增矩的作用。主要用于:鍛壓設備、礦山機械、起重設備、化工等領域。
輸入轉速不高于1500r/min,環境溫度為-40℃--+40℃。允許正反運轉。
![]()
![]() ![]() ![]() ![]() ![]()
![]() ![]() ![]() ![]() ![]() ![]() ![]() ![]() ![]() ![]() ![]() |




















