Product list產品列表
Customer service在線客服
推薦產品
CWS圓弧圓柱蝸桿減速機 |
|||||||||||||||||||||||||||||||||||||||||||||||||||||||||||||||||||||||||||||||||||||||||||||||||||||||||||||||||||||||||||||||||||||||||||||||||||||||||||||||||||||||||||||||||||||||||||||||||||||||||||||||||||||||||||||||||||||||||||||||||||||||||||||||||||||||||||||||||||||||||||||||||||||||||||||||||||||||||||||||||||||||||||||||||||||||||||||||||||||||||||||||||||||||||||||||||||||||||||||||||||||||||||||||||||||||||||||||||
![]()
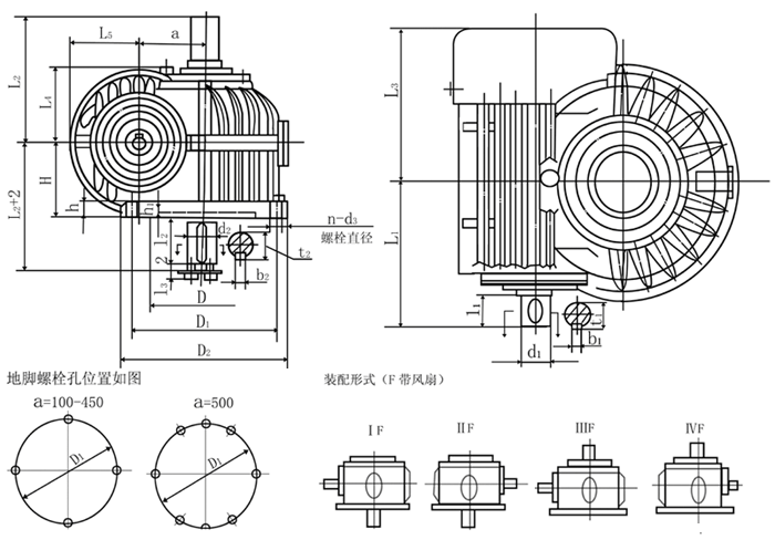
CWS圓弧圓柱蝸桿減速器概述及標記示例(GB9147—88) CW系列圓弧圓柱蝸桿減速器
概述
本系列減速器符合中華人民共和國國家標準(GB9147—88)
主要包括:CWU 蝸桿在下型 CWS 蝸桿在側型 CWO蝸桿在上型
中心距有16種a=63、80、100、125、140、160、180、200、225、250、280、315、355、400、450、 500。
傳動比有12種i=5、6.3、8、10、12.5、16、20、25、31.5、40、50、63
![]() ![]()
|
|||||||||||||||||||||||||||||||||||||||||||||||||||||||||||||||||||||||||||||||||||||||||||||||||||||||||||||||||||||||||||||||||||||||||||||||||||||||||||||||||||||||||||||||||||||||||||||||||||||||||||||||||||||||||||||||||||||||||||||||||||||||||||||||||||||||||||||||||||||||||||||||||||||||||||||||||||||||||||||||||||||||||||||||||||||||||||||||||||||||||||||||||||||||||||||||||||||||||||||||||||||||||||||||||||||||||||||||||



