 |
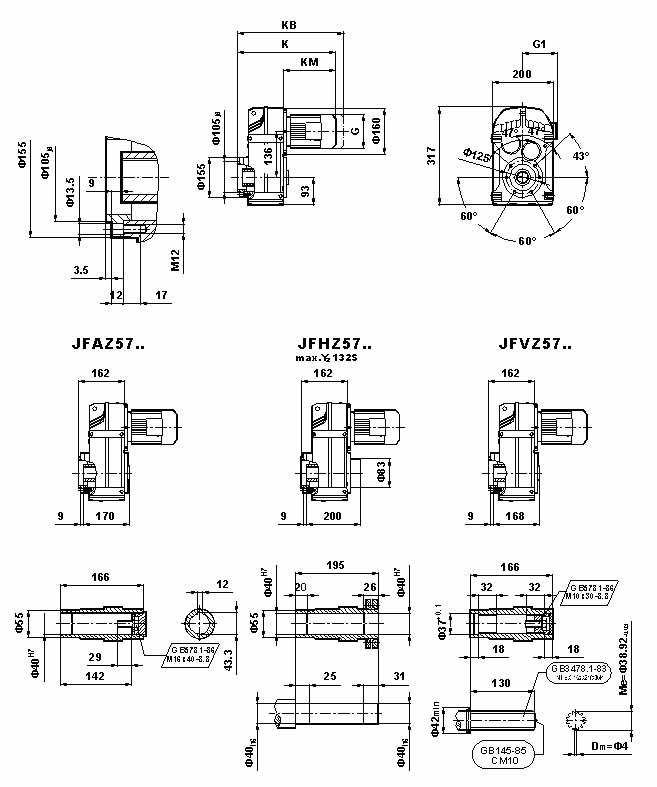
JF系列減速機外形安裝尺寸(JF57、JFA57B、JFH57B、JFV57B、JFF57、JFAF57B、JFHF57B、JFVF57B、JF..57/G、JFA57、JFH57、JFV57、JFAZ57、JFHZ57、JHVZ57)(GB10095-88) |
 |
| |
詳細介紹: |
發布時間:2006/6/7 8:36:10 |
|
| |
外形安裝尺寸(JF57、JFA57B、JFH57B、JFV57B、JFF57、JFAF57B、JFHF57B、JFVF57B、JF..57/G、JFA57、JFH57、JFV57、JFAZ57、JFHZ57、JHVZ57)

|
|
Y263 |
Y271 |
Y280 |
Y290S |
Y290L |
Y2100L |
Y2112M |
Y2132S |
|
|
|
|
|
|
G(AC) |
130 |
145 |
175 |
195 |
195 |
215 |
240 |
275 |
|
|
|
|
|
|
G1(AD) |
70 |
80 |
145 |
155 |
155 |
180 |
190 |
210 |
|
|
|
|
|
|
K |
428 |
446 |
476 |
491 |
516 |
546 |
561 |
611 |
|
|
|
|
|
|
KB |
498 |
516 |
566 |
581 |
606 |
641 |
656 |
706 |
|
|
|
|
|
|
KM(LB) |
207 |
225 |
255 |
270 |
295 |
325 |
340 |
390 |
|
|
|
|
|
注:KB為帶制動器的長度

|
|
Y263 |
Y271 |
Y280 |
Y290S |
Y290L |
Y2100L |
Y2112M |
Y2132S |
|
|
|
|
|
|
G(AC) |
130 |
145 |
175 |
195 |
195 |
215 |
240 |
275 |
|
|
|
|
|
|
G1(AD) |
70 |
80 |
145 |
155 |
155 |
180 |
190 |
210 |
|
|
|
|
|
|
K |
450 |
468 |
498 |
513 |
538 |
568 |
583 |
633 |
|
|
|
|
|
|
KB |
520 |
538 |
588 |
603 |
628 |
663 |
678 |
728 |
|
|
|
|
|
|
KM(LB) |
207 |
225 |
255 |
270 |
295 |
325 |
340 |
390 |
|
|
|
|
|
注:KB為帶制動器的長度

|
|
Y263 |
Y271 |
Y280 |
Y290S |
Y290L |
Y2100L |
Y2112M |
Y2132S |
|
|
|
|
|
|
G(AC) |
130 |
145 |
175 |
195 |
195 |
215 |
240 |
275 |
|
|
|
|
|
|
G1(AD) |
70 |
80 |
145 |
155 |
155 |
180 |
190 |
210 |
|
|
|
|
|
|
K |
357 |
375 |
405 |
420 |
445 |
475 |
490 |
540 |
|
|
|
|
|
|
KB |
427 |
445 |
495 |
510 |
535 |
570 |
585 |
635 |
|
|
|
|
|
|
KM(LB) |
207 |
225 |
255 |
270 |
295 |
325 |
340 |
390 |
|
|
|
|
|
注:KB為帶制動器的長度

|
|
Y263 |
Y271 |
Y280 |
Y290S |
Y290L |
Y2100L |
Y2112M |
Y2132S |
|
|
|
|
|
|
G(AC) |
130 |
145 |
175 |
195 |
195 |
215 |
240 |
275 |
|
|
|
|
|
|
G1(AD) |
70 |
80 |
145 |
155 |
155 |
180 |
190 |
210 |
|
|
|
|
|
|
K |
369 |
387 |
417 |
432 |
457 |
487 |
502 |
552 |
|
|
|
|
|
|
KB |
439 |
457 |
507 |
522 |
547 |
582 |
597 |
647 |
|
|
|
|
|
|
KM(LB) |
207 |
225 |
255 |
270 |
295 |
325 |
340 |
390 |
|
|
|
|
|
注:KB為帶制動器的長度 |
|
|