 |
ZWS-1、ZWS-2、ZWS-3、ZWS-4、ZWS-5、ZWS-6、系列螺旋錐齒輪減速機外形尺寸 |
 |
| |
詳細介紹: |
發布時間:2006/6/27 8:22:59 |
|
| |
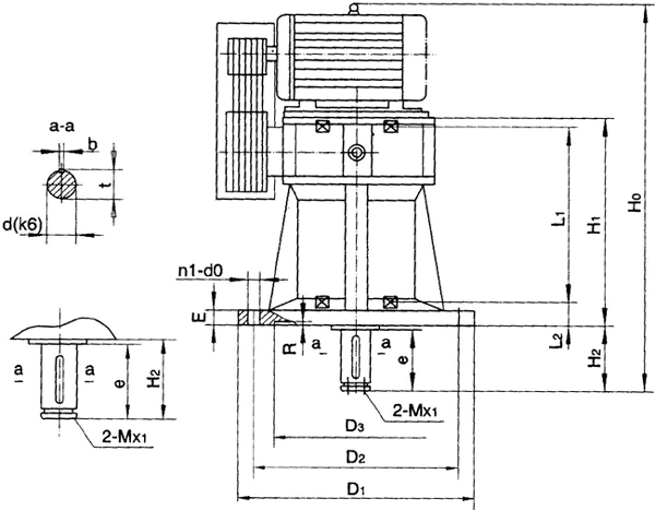
ZWS系列螺旋錐齒輪減速機外形尺寸

ZWS系列螺旋錐齒輪減速機外形及安裝尺寸
|
機型號 |
參數 |
|
d |
b |
t |
D1 |
D2 |
D3 |
n-d0 |
通用 |
夾殼 |
H1 |
R |
L1 |
L2 |
E |
M |
l |
配用機架 |
電機
功率 |
重量
(kg) |
|
e |
H2 |
e |
H2 |
|
ZWS-1 |
40 |
12 |
35 |
340 |
305 |
270 |
8-18 |
61 |
71 |
90 |
100 |
430 |
6 |
280 |
25 |
20 |
M6 |
18 |
Tl1 |
1.1-2.2 |
165 |
|
ZWS-2 |
50 |
14 |
44.5 |
75 |
85 |
100 |
110 |
M8 |
20 |
Tl2 |
2.2-4 |
167 |
|
ZWS-3 |
60 |
18 |
53 |
400 |
360 |
316 |
8-18 |
95 |
105 |
130 |
140 |
190 |
6 |
330 |
25 |
22 |
M10 |
25 |
Tl3 |
3-5.5 |
240 |
|
ZWS-4 |
70 |
20 |
62.5 |
Tl4 |
3-5.5 |
245 |
|
ZWS-5 |
70 |
20 |
62.5 |
460 |
410 |
360 |
8-18 |
95 |
105 |
130 |
140 |
650 |
8 |
430 |
30 |
24 |
M10 |
25 |
Tl5 |
7.5-15 |
265 |
|
ZWS-6 |
90 |
25 |
81 |
520 |
470 |
420 |
12-18 |
165 |
175 |
170 |
180 |
740 |
8 |
530 |
30 |
26 |
M12 |
30 |
Tl6 |
11-18.5 |
290 |
注:1、表中所列減速機重量不含電機重量。
2、轉速范圍為60~300轉/分鐘。
3、本系列減速機與CWS系列圓弧齒蝸桿減速安裝尺寸相同,可直接與TI型機架相連。 |
|
|