產品展示
行星擺線減速機是一種應用行星傳動原理,采用擺線針輪嚙合,設計先進、結構新穎的減速機構。這種減速機在絕大多數情況下已替代兩級、三級普通圓柱齒輪減速機及圓柱蝸桿減速機,在軍工、航天、冶金、礦山、石油、化工、船舶、輕工、食品、紡織、印染、制藥、橡膠、塑料、及起重運輸等方面得到日益廣泛的應用。
一、產品特點
1.傳動比大。一級減速時傳動比為1/6--1/87。兩級減速時傳動比為1/99--1/7569。
2.傳動效率高。由于嚙合部位采用了滾動嚙合,一般一級傳動效率為90%--95%。
3.結構緊湊,體積小,重量輕。體積和普通圓柱齒輪減速機相比可減小2/1--2/3。
4.故障少,壽命長。主要傳動嚙合件使用軸承鋼磨削制造,因此機械性能與耐磨性能均佳,又因其為滾動摩擦,因而故障少,壽命長。
5.運轉平穩可靠。因傳動過程中為多齒嚙合,所以使之運轉平穩可靠,噪聲低。
6.拆裝方便,容易維修。
7.過載能力強,耐沖擊,慣性力矩小,適用于起動頻繁和正反轉運轉的特點。
8.標記方法及其使用條件。
二、技術規格
1、機型號
按傳動比分為:一級、二級、三級。
一級減速器型號10、11、12、13、14、15、16、17、18、19、100、110、120
二級減速器型號1010、1210、1312、1412、1513、1613、1714、1814、1815、1915、10016、11017、12018
按結構形式分為臥式、立式、雙軸型、電機直聯型四種結構型式
2、傳動比
一級減速的傳動比有: 9、11、17、21、23、25、29、35、43、47、59、71、87。
二級減速的傳動比有:99、121、187、289、319、385、473、493、595、649、731、841、1003、1225、1505、1849、2065、2537、3045、3481、5133。
三級傳動比有:5841~6585030

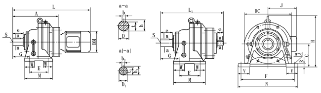
ZGXW、ZGXWD型減速機外形及安裝尺寸


|
機座號 |
外形尺寸 |
安裝尺寸 |
輸出軸尺寸 |
輸入軸尺寸 | ||||||||||||||||||||
|
H |
M |
N |
DC |
A |
LI |
C |
G |
R |
E |
F |
V |
n-d |
D |
e |
b |
h |
s |
t |
D1 |
e1 |
b1 |
h1 |
t1 | |
|
10 |
146 |
84 |
144 |
113 |
84 |
125 |
80 |
36 |
10 |
60 |
120 |
— |
4-10 |
14 |
20 |
5 |
16 |
— |
11 |
10 |
15 |
4 |
11.5 |
7.5 |
|
11 |
175 |
120 |
180 |
150 |
144 |
203 |
100 |
60 |
12 |
90 |
150 |
40 |
4-12 |
28 |
35 |
8 |
31 |
M8 |
24 |
15 |
25 |
5 |
17 |
12 |
|
12 |
175 |
120 |
210 |
150 |
159 |
210 |
100 |
101 |
15 |
90 |
180 |
45 |
4-12 |
25 |
35 |
8 |
28 |
M8 |
21 |
15 |
25 |
5 |
17 |
12 |
|
13 |
278 |
150 |
290 |
200 |
192 |
263 |
140 |
151 |
20 |
100 |
250 |
55 |
4-16 |
35 |
55 |
10 |
38 |
M8 |
30 |
18 |
35 |
6 |
20.5 |
14.5 |
|
14 |
309 |
195 |
330 |
230 |
240 |
324 |
150 |
169 |
22 |
145 |
290 |
65 |
4-16 |
45 |
74 |
14 |
48.5 |
M10 |
39.5 |
22 |
40 |
6 |
24.5 |
18.5 |
|
15 |
356 |
260 |
410 |
300 |
310 |
416 |
160 |
206 |
25 |
150 |
370 |
75 |
4-18 |
55 |
91 |
16 |
59 |
M10 |
49 |
30 |
45 |
8 |
33 |
26 |
|
16 |
425 |
335 |
430 |
340 |
352 |
476 |
200 |
125 |
30 |
275 |
380 |
75 |
4-22 |
65 |
89 |
18 |
69 |
M12 |
58 |
35 |
54 |
10 |
38 |
30 |
|
17 |
460 |
380 |
470 |
360 |
394 |
532 |
220 |
145 |
30 |
320 |
420 |
85 |
4-22 |
80 |
109 |
22 |
85 |
M12 |
71 |
40 |
65 |
12 |
43 |
35 |
|
18 |
529 |
440 |
530 |
430 |
448 |
602 |
250 |
155 |
35 |
380 |
480 |
120 |
4-22 |
90 |
120 |
25 |
95 |
M16 |
81 |
45 |
70 |
14 |
48.5 |
39.5 |
|
19 |
614 |
560 |
620 |
500 |
552 |
724 |
290 |
186 |
40 |
240×2 |
560 |
120 |
4-26 |
100 |
142 |
28 |
106 |
M20 |
90 |
50 |
80 |
14 |
53.5 |
44.5 |
|
100 |
706 |
600 |
690 |
580 |
612 |
814 |
325 |
230 |
45 |
250×2 |
630 |
120 |
4-30 |
110 |
150 |
28 |
116 |
M24 |
100 |
55 |
100 |
16 |
59 |
49 |
|
110 |
883 |
810 |
880 |
710 |
809 |
1065 |
420 |
324 |
50 |
330×2 |
800 |
160 |
6-32 |
130 |
202 |
32 |
137 |
M30 |
119 |
70 |
120 |
20 |
74.5 |
62.5 |
|
120 |
1163 |
1040 |
1160 |
950 |
1152 |
1474 |
540 |
485 |
60 |
420×2 |
1050 |
200 |
6-45 |
180 |
330 |
45 |
190 |
M42 |
165 |
90 |
150 |
25 |
95 |
81 |
ZGXL、ZGXLD型減速機外形及安裝尺寸


|
機座號 |
外形尺寸 |
安裝尺寸 |
輸出軸尺寸 |
輸入軸尺寸 | ||||||||||||||||
|
D2 |
L1 |
CF |
D3 |
D4 |
P |
E |
M |
n-d |
D |
e |
b |
h |
s |
t |
D1 |
e1 |
b1 |
h1 |
t1 | |
|
10 |
120 |
125 |
57 |
102 |
80 |
3 |
8 |
27 |
6-10 |
14 |
20 |
5 |
16 |
- |
11 |
10 |
15 |
4 |
11.5 |
7.5 |
|
11 |
160 |
203 |
93 |
134 |
110 |
3 |
9 |
50 |
4-12 |
28 |
35 |
8 |
31 |
M8 |
24 |
15 |
25 |
5 |
17 |
12 |
|
12 |
180 |
210 |
115 |
160 |
130 |
3 |
12 |
42 |
6-12 |
25 |
35 |
8 |
28 |
M8 |
21 |
15 |
25 |
5 |
17 |
12 |
|
13 |
230 |
263 |
143 |
200 |
170 |
4 |
15 |
50 |
6-12 |
35 |
45 |
10 |
38 |
M8 |
30 |
18 |
35 |
6 |
20.5 |
14.5 |
|
14 |
260 |
324 |
161 |
230 |
200 |
4 |
15 |
79 |
6-12 |
45 |
63 |
14 |
48.5 |
M10 |
39.5 |
22 |
40 |
6 |
24.5 |
18.5 |
|
15 |
340 |
416 |
219 |
310 |
270 |
4 |
20 |
92 |
6-12 |
55 |
79 |
16 |
59 |
M10 |
49 |
30 |
45 |
8 |
33 |
26 |
|
16 |
400 |
476 |
262 |
360 |
316 |
5 |
22 |
92 |
8-16 |
65 |
80 |
18 |
69 |
M12 |
58 |
35 |
54 |
10 |
38 |
30 |
|
17 |
430 |
532 |
279 |
390 |
345 |
5 |
22 |
114 |
8-18 |
80 |
98 |
22 |
85 |
M12 |
71 |
40 |
65 |
12 |
43 |
35 |
|
18 |
490 |
602 |
335 |
450 |
400 |
6 |
30 |
112 |
12-18 |
90 |
110 |
25 |
95 |
M16 |
81 |
45 |
70 |
14 |
48.5 |
39.5 |
|
19 |
580 |
724 |
382 |
520 |
455 |
8 |
35 |
170 |
12-22 |
100 |
129 |
28 |
106 |
M20 |
90 |
50 |
80 |
14 |
53.5 |
44.5 |
|
100 |
650 |
814 |
438 |
590 |
520 |
10 |
40 |
174 |
12-22 |
110 |
140 |
28 |
116 |
M24 |
100 |
55 |
100 |
16 |
59 |
49 |
|
110 |
880 |
1065 |
598 |
800 |
680 |
10 |
45 |
210 |
12-38 |
130 |
184 |
32 |
137 |
M30 |
119 |
70 |
120 |
20 |
74.5 |
62.5 |
|
120 |
1160 |
1474 |
796 |
1020 |
900 |
10 |
60 |
356 |
8-39 |
180 |
320 |
45 |
190 |
M42 |
165 |
90 |
150 |
25 |
95 |
81 |
ZGXWE、ZGZWED型減速機外形及安裝尺寸

|
機座號 |
外形尺寸 |
安裝尺寸 |
輸出軸尺寸 |
輸入軸尺寸 | ||||||||||||||||||||
|
H |
M |
N |
DC |
A |
LI |
C |
G |
R |
E |
F |
V |
n-d |
D |
e |
b |
h |
s |
t |
D1 |
e1 |
b1 |
h1 |
t1 | |
|
1010 |
146 |
84 |
144 |
113 |
125 |
166 |
80 |
36 |
10 |
60 |
120 |
— |
4-10 |
14 |
20 |
5 |
16 |
— |
11 |
10 |
4 |
4 |
11.5 |
7.5 |
|
1210 |
175 |
120 |
210 |
150 |
205 |
242 |
100 |
101 |
15 |
90 |
180 |
45 |
4-12 |
25 |
35 |
8 |
28 |
M8 |
21 |
10 |
15 |
4 |
11.5 |
7.5 |
|
1412 |
309 |
195 |
330 |
230 |
317 |
373 |
150 |
169 |
22 |
145 |
290 |
65 |
4-16 |
45 |
74 |
14 |
48.5 |
M10 |
39.5 |
15 |
25 |
5 |
17 |
12 |
|
1513 |
356 |
260 |
410 |
300 |
398 |
467 |
160 |
206 |
25 |
150 |
370 |
75 |
4-18 |
55 |
91 |
16 |
59 |
M10 |
49 |
18 |
35 |
6 |
20.5 |
14.5 |
|
1613 |
425 |
335 |
430 |
340 |
440 |
513 |
200 |
125 |
30 |
275 |
380 |
75 |
4-22 |
65 |
89 |
18 |
69 |
M12 |
58 |
18 |
35 |
6 |
20.5 |
14.5 |
|
1714 |
460 |
380 |
470 |
360 |
500 |
585 |
220 |
145 |
30 |
320 |
420 |
85 |
4-22 |
80 |
109 |
22 |
85 |
M12 |
71 |
22 |
40 |
6 |
24.5 |
18.5 |
|
1814 |
529 |
440 |
530 |
430 |
560 |
644 |
250 |
155 |
35 |
380 |
480 |
120 |
4-22 |
90 |
120 |
25 |
95 |
M16 |
81 |
22 |
40 |
6 |
24.5 |
18.5 |
|
1815 |
529 |
440 |
530 |
430 |
584 |
692 |
250 |
155 |
35 |
380 |
480 |
120 |
4-22 |
90 |
120 |
25 |
95 |
M16 |
81 |
30 |
45 |
8 |
33 |
26 |
|
1915 |
614 |
560 |
620 |
500 |
689 |
794 |
290 |
186 |
40 |
240×2 |
560 |
120 |
4-26 |
100 |
142 |
28 |
106 |
M20 |
90 |
30 |
45 |
8 |
33 |
26 |
|
10016 |
706 |
600 |
690 |
580 |
760 |
884 |
325 |
230 |
45 |
250×2 |
630 |
120 |
4-30 |
110 |
150 |
28 |
116 |
M24 |
100 |
35 |
54 |
10 |
38 |
30 |
|
11017 |
883 |
810 |
880 |
710 |
968 |
1106 |
420 |
324 |
50 |
330×2 |
800 |
140 |
6-32 |
130 |
202 |
32 |
137 |
M30 |
119 |
40 |
65 |
12 |
43 |
35 |
|
12018 |
1163 |
1040 |
1160 |
950 |
1351 |
1503 |
540 |
485 |
60 |
420×2 |
1050 |
200 |
6-45 |
180 |
330 |
45 |
190 |
M42 |
165 |
45 |
70 |
14 |
48 |
39.5 |
ZGXLE、ZGXLED型減速機外形及安裝尺寸


|
機座號 |
外形尺寸 |
安裝尺寸 |
輸出軸尺寸 |
輸入軸尺寸 | ||||||||||||||||
|
D2 |
L1 |
CF |
D3 |
D4 |
P |
E |
M |
n-d |
D |
e |
b |
h |
s |
t |
D1 |
e1 |
b1 |
h1 |
t1 | |
|
1010 |
120 |
166 |
98 |
102 |
80 |
3 |
8 |
27 |
6-10 |
14 |
20 |
5 |
16 |
— |
11 |
10 |
15 |
4 |
11.5 |
7.5 |
|
1210 |
180 |
242 |
164 |
160 |
130 |
3 |
12 |
42 |
4-12 |
25 |
34 |
8 |
28 |
M8 |
21 |
10 |
15 |
4 |
11.5 |
7.5 |
|
1412 |
260 |
374 |
239 |
230 |
200 |
4 |
15 |
79 |
6-12 |
45 |
63 |
14 |
48.5 |
M10 |
39.5 |
15 |
25 |
5 |
17 |
1.2 |
|
1513 |
340 |
473 |
307 |
310 |
270 |
4 |
20 |
93 |
6-12 |
55 |
79 |
16 |
59 |
M10 |
49 |
18 |
35 |
6 |
20.5 |
14.5 |
|
1613 |
400 |
513 |
350 |
360 |
316 |
5 |
22 |
92 |
8-16 |
65 |
80 |
18 |
69 |
M12 |
58 |
18 |
35 |
6 |
20.5 |
14.5 |
|
1714 |
430 |
578 |
388 |
390 |
345 |
5 |
22 |
117 |
8-18 |
80 |
98 |
22 |
85 |
M12 |
71 |
22 |
40 |
6 |
24.5 |
18.5 |
|
1814 |
490 |
644 |
448 |
450 |
400 |
6 |
30 |
112 |
12-18 |
90 |
110 |
25 |
95 |
M16 |
81 |
22 |
40 |
6 |
24.5 |
18.5 |
|
1815 |
490 |
692 |
475 |
450 |
400 |
6 |
30 |
112 |
12-18 |
90 |
110 |
25 |
95 |
M16 |
81 |
30 |
45 |
8 |
33 |
26 |
|
1915 |
580 |
790 |
518 |
520 |
455 |
8 |
35 |
170 |
12-22 |
100 |
129 |
28 |
106 |
M20 |
90 |
30 |
45 |
8 |
33 |
26 |
|
10016 |
650 |
884 |
586 |
590 |
520 |
10 |
40 |
174 |
12-22 |
110 |
140 |
28 |
116 |
M24 |
100 |
35 |
54 |
10 |
38 |
30 |
|
11017 |
880 |
1106 |
758 |
800 |
680 |
10 |
45 |
210 |
12-38 |
130 |
184 |
32 |
137 |
M30 |
119 |
40 |
65 |
12 |
43 |
35 |
|
12018 |
1160 |
1503 |
995 |
1020 |
900 |
10 |
60 |
370 |
8-39 |
180 |
320 |
45 |
190 |
M42 |
165 |
45 |
70 |
14 |
48.5 |
39.5 |


|
輸入功率 |
電動機機座號 |
D5 |
d1公差 |
b1 |
h1 |
L4 |
D6公差 |
D7 |
D8 |
f |
B |
n |
d2 |
L3 | ||
|
0.25 0.37 |
71 |
37 |
14 |
F7 |
5 |
16.3 |
16 |
110 |
H8 |
130 |
160 |
4 |
12 |
4 |
10 |
30 |
|
0.55 0.75 |
801 802 |
37 |
19 |
6 |
21.8 |
27 |
130 |
165 |
200 |
4 |
12 |
4 |
12 |
40 | ||
|
1.1 1.5 |
90S 90L |
47 |
24 |
8 |
27.3 |
33 |
130 |
165 |
200 |
4 |
15 |
4 |
12 |
50 | ||
|
2.2 3 4 |
100L 112M |
55 |
28 |
8 |
31.3 |
41 |
180 |
215 |
250 |
5 |
17 |
4 |
15 |
60 | ||
|
5.5 7.5 |
132S 132M |
65 |
38 |
10 |
41.3 |
57 |
230 |
265 |
300 |
5 |
18 |
4 |
15 |
80 | ||
|
11 15 |
160M 160L |
75 |
42 |
12 |
45.3 |
81 |
250 |
G8
|
300 |
350 |
5 |
20 |
4 |
19 |
110 | |
|
18.5 |
200L |
105 |
55 |
E7
|
16 |
59.3 |
80 |
300 |
350 |
400 |
6 |
25 |
4 |
19 |
110 | |
|
22 |
200L |
105 |
55 |
16 |
59.3 |
80 |
300 |
350 |
400 |
6 |
30 |
4 |
19 |
109 | ||
|
單位名稱 |
志遠減速機械有限責任公司 | ||
|
地 址 |
河北省吳橋縣城104國道雜技大世界北 | ||
|
聯系人 |
劉占坤 |
網 址 |
|
|
電 話 |
0317-7349996 |
傳 真 |
0317-7198032 |
|
郵 編 |
061800 |
E-mail |
|
| 頁次:1/1 每頁10條 共6條信息 分頁:[1] |
