產品展示
概述
該產品是供具有可燃性氣體、瓦斯、粉塵等形成的爆炸性混合物環境條件下所使用的輸送機械做驅動裝置。隔爆標志為dI、dIIAT4、dⅡBT4。dI適合于有甲烷或煤塵爆炸危險性混合物存在的礦井中,dⅡAT4適合于Ⅰ、ⅡA級T1-T4組爆炸危險性混合物存在的場所,dIIBT4適合于Ⅰ,IIA、ⅡB級T1-T4組爆炸危險性混合物存在的場所。可滿足各種逆止、包膠等要求。
訂貨代號

外形尺寸
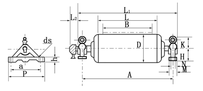
YDB型隔爆油冷式電動滾筒外形尺寸

YDB型隔爆油冷式電動滾筒外型尺寸
|
D |
B |
A |
L |
L1 |
L2 |
H |
M |
N |
P |
Q |
dS |
h |
L3 |
|
315
(320) |
500 |
850 |
600 |
≤732 |
940 |
120 |
90 |
|
340 |
280 |
27 |
35 |
95 |
|
650 |
1000 |
750 |
≤882 |
1090 | |||||||||
|
800 |
1300 |
950 |
≤1032 |
1390 | |||||||||
|
400 |
500 |
850 |
600 |
≤744 |
940 |
120 |
90 |
|
340 |
280 |
27 |
35 |
95 |
|
650 |
1000 |
750 |
≤894 |
1090 | |||||||||
|
800 |
1300 |
950 |
≤1044 |
1390 | |||||||||
|
500 |
500 |
850 |
600/620 |
≤748 |
960 |
100 |
70 |
|
340 |
280 |
27 |
35 |
115 |
|
650 |
1000 |
750 |
≤900 |
1120 |
120 |
90 | |||||||
|
800 |
1300 |
950 |
≤1100 |
1420 |
120 |
90 | |||||||
|
630 |
650 |
1000 |
750 |
≤868 |
1120 |
120 |
90 |
|
340 |
280 |
27 |
35 |
≤140 |
|
800 |
1300 |
950 |
≤1068 |
1430 |
140 |
130 |
80 |
400 |
330 |
27 |
35 | ||
|
1000 |
1500 |
1150 |
≤1268 |
1630 |
140 |
130 |
80 |
400 |
330 |
27 |
35 | ||
|
1200 |
1750 |
1400 |
≤1514 |
1900 |
160 |
160 |
90 |
440 |
360 |
34 |
50 | ||
|
1400 |
2000 |
1600 |
≤1720 |
2150 |
160 |
160 |
90 |
440 |
360 |
34 |
50 | ||
|
800 |
1000 |
1500 |
1150 |
≤1268 |
1630 |
140 |
145 |
80 |
400 |
330 |
27 |
35 |
≤140 |
|
1200 |
1750 |
1400 |
≤1514 |
1900 |
160 |
160 |
90 |
440 |
360 |
34 |
50 | ||
|
1400 |
2000 |
1600 |
≤1720 |
2150 |
160 |
160 |
90 |
440 |
360 |
34 |
50 | ||
|
1000 |
1000 |
1500 |
1150 |
≤1268 |
1630 |
140 |
145 |
80 |
400 |
330 |
27 |
35 |
≤140 |
|
1200 |
1750 |
1400 |
≤1514 |
1900 |
160 |
160 |
90 |
440 |
360 |
34 |
50 | ||
|
1400 |
2000 |
1600 |
≤1720 |
2150 |
160 |
160 |
90 |
440 |
360 |
34 |
50 |
YDB型隔爆油冷式電動滾筒技術參數
|
直徑(mm) |
功率(kW) |
帶寬(mm) |
膠帶速度(m/s) |
質量(Kg) | |||||||
|
0.8 |
1.0 |
1.25 |
1.6 |
2.0 |
2.5 |
3.15 |
4.0 | ||||
|
320
|
1.5 |
500 |
· |
· |
· |
· |
|
|
|
|
185 |
|
650 |
· |
· |
· |
· |
|
|
|
|
195 | ||
|
2.2 |
500 |
|
· |
· |
· |
|
|
|
|
187 | |
|
650 |
|
· |
· |
· |
|
|
|
|
197 | ||
|
3 |
500 |
|
|
· |
· |
|
|
|
|
220 | |
|
650 |
|
|
· |
· |
|
|
|
|
227 | ||
|
4 |
500 |
|
|
|
· |
|
|
|
|
227 | |
|
650 |
|
|
|
· |
|
|
|
|
239 | ||
|
400 |
2.2 |
500 |
· |
· |
· |
· |
|
|
|
|
219 |
|
650 |
· |
· |
· |
· |
|
|
|
|
230 | ||
|
3 |
500 |
· |
· |
· |
· |
|
|
|
|
251 | |
|
650 |
· |
· |
· |
· |
|
|
|
|
265 | ||
|
4 |
500 |
|
· |
· |
· |
|
|
|
|
256 | |
|
650 |
|
· |
· |
· |
|
|
|
|
270 | ||
|
500 |
1.5 |
500 |
|
· |
· |
|
|
|
|
|
272 |
|
650 |
|
· |
· |
|
|
|
|
|
283 | ||
|
2.2 |
500 |
· |
· |
· |
· |
|
|
|
|
274 | |
|
650 |
· |
· |
· |
· |
|
|
|
|
285 | ||
|
800 |
· |
· |
· |
|
|
|
|
|
315 | ||
|
3 |
500 |
· |
· |
· |
· |
· |
|
|
|
302 | |
|
650 |
· |
· |
· |
· |
· |
|
|
|
316 | ||
|
800 |
· |
· |
· |
· |
· |
|
|
|
346 | ||
|
4 |
500 |
· |
· |
· |
· |
· |
· |
|
|
308 | |
|
650 |
· |
· |
· |
· |
· |
· |
|
|
322 | ||
|
800 |
· |
· |
· |
· |
· |
· |
|
|
352 | ||
|
5.5 |
500 |
|
· |
· |
· |
· |
· |
|
|
368 | |
|
650 |
|
· |
· |
· |
· |
· |
|
|
404 | ||
|
800 |
|
· |
· |
· |
· |
· |
|
|
435 | ||
|
7.5 |
650 |
|
|
· |
· |
· |
· |
|
|
419 | |
|
800 |
|
|
· |
· |
· |
· |
· |
|
448 | ||
|
11 |
650 |
|
|
|
· |
· |
· |
|
|
481 | |
|
800 |
|
|
|
· |
· |
· |
· |
|
518 | ||
|
15 |
800 |
|
|
|
· |
· |
· |
· |
|
542 | |
|
630 |
3 |
1000 |
|
|
· |
|
|
|
|
|
529 |
|
4 |
1000 |
|
· |
· |
· |
|
|
|
|
536 | |
|
1200 |
|
|
· |
|
|
|
|
|
590 | ||
|
5.5 |
800 |
|
· |
· |
· |
· |
|
|
|
577 | |
|
1000 |
|
· |
· |
· |
· |
|
|
|
608 | ||
|
1200 |
|
· |
· |
· |
· |
· |
|
|
678 | ||
|
7.5 |
800 |
|
· |
· |
· |
· |
|
|
|
592 | |
|
1000 |
|
· |
· |
· |
· |
· |
|
|
703 | ||
|
1200 |
|
· |
· |
· |
· |
· |
|
|
692 | ||
|
11 |
650 |
|
|
· |
· |
|
|
|
|
613 | |
|
800 |
|
|
· |
· |
· |
|
|
|
679 | ||
|
1000 |
|
· |
· |
· |
· |
· |
· |
|
711 | ||
|
1200 |
|
· |
· |
· |
· |
· |
|
|
781 | ||
|
15 |
800 |
|
|
|
· |
· |
|
|
|
697 | |
|
1000 |
|
|
|
· |
· |
· |
· |
|
729 | ||
|
1200 |
|
|
|
· |
· |
· |
· |
· |
799 | ||
| 頁次:1/1 每頁10條 共5條信息 分頁:[1] |

