產品展示
JP系列行星減速器輸端螺紋孔、平鍵各鍵槽
|
軸端螺紋孔 mm | |||||||||||
|
軸徑Φd |
≥16-21 |
>21-24 |
>24-30 |
>30-38 |
>38-50 |
>50-85 |
>85-130 |
>130-225 |
>225-320 |
>320-500 |
>500-700 |
|
螺孔尺寸 |
M6 |
M8 |
M10 |
M12 |
M16 |
M20 |
M24 |
M30 |
M36 |
M42 |
M48 |
|
平鍵和鍵槽 mm | |||||
|
平鍵緊固采用無錐度聯接
平鍵和鍵槽根據GB/T1095-1979標準確定
![]() |
直徑
d |
寬度
b |
高度
h |
軸鍵槽深度
t1 |
輪轂鍵槽深度
d+t2 |
|
>8-10 |
3 |
3 |
1.8 |
d+1.4 | |
|
>10-12 |
4 |
4 |
2.5 |
d+1.8 | |
|
>12-17 |
5 |
5 |
3 |
d+2.3 | |
|
>17-22 |
6 |
6 |
3.5 |
d+2.8 | |
|
>22-30 |
8 |
7 |
4 |
d+3.3 | |
|
>30-38 |
10 |
8 |
5 |
d+3.3 | |
|
>38-44 |
12 |
8 |
5 |
d+3.3 | |
|
>44-50 |
14 |
9 |
5.5 |
d+3.8 | |
|
>50-58 |
16 |
10 |
6 |
d+4.3 | |
|
>58-65 |
18 |
11 |
7 |
d+4.4 | |
|
>65-75 |
20 |
12 |
7.5 |
d+4.9 | |
|
>75-85 |
22 |
14 |
9 |
d+5.4 | |
|
>85-95 |
25 |
14 |
9 |
d+5.4 | |
|
>95-110 |
28 |
16 |
10 |
d+6.4 | |
|
>110-130 |
32 |
18 |
11 |
d+7.4 | |
|
>130-150 |
36 |
20 |
12 |
d+8.4 | |
|
>150-170 |
40 |
22 |
13 |
d+9.4 | |
|
>170-200 |
45 |
25 |
15 |
d+10.4 | |
|
>200-230 |
50 |
28 |
17 |
d+11.4 | |
|
>230-260 |
56 |
32 |
20 |
d+12.4 | |
|
>260-290 |
63 |
32 |
20 |
d+12.4 | |
|
>290-330 |
70 |
36 |
22 |
d+14.4 | |
|
>330-380 |
80 |
40 |
25 |
d+15.4 | |
|
>380-440 |
90 |
45 |
28 |
d+17.4 | |
|
>440-500 |
100 |
50 |
31 |
d+19.5 | |
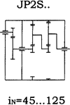
JP系列行星減速器 型號:JP2N..,JP2S..實際傳動比
![]() |
規格
JP2N.. |
實際傳動比 | ||||
|
25 |
28 |
31.5 |
35.5 |
40 | ||
|
9 |
25.634 |
28.058 |
31.142 |
35.201 |
40.781 | |
|
10 |
25.634 |
28.058 |
31.142 |
35.201 |
40.781 | |
|
11 |
25.875 |
28.233 |
31.207 |
35.072 |
40.301 | |
|
12 |
24.983 |
27.260 |
30.130 |
33.863 |
38.912 | |
|
13 |
24.958 |
27.318 |
30.321 |
34.272 |
39.706 | |
|
14 |
24.958 |
27.318 |
30.321 |
34.272 |
39.706 | |
|
16 |
24.750 |
27.090 |
30.068 |
33.987 |
39.375 | |
|
17 |
24.750 |
27.090 |
30.068 |
33.987 |
39.375 | |
|
18 |
24.958 |
27.318 |
30.321 |
34.272 |
39.706 | |
|
19/20 |
26.622 |
29.139 |
32.342 |
36.557 |
42.353 | |
|
21/22 |
26.622 |
29.139 |
32.342 |
36.557 |
42.353 | |
|
23/24 |
26.872 |
29.321 |
32.409 |
36.424 |
41.855 | |
|
25/26 |
26.872 |
29.321 |
32.409 |
36.424 |
41.855 | |
|
27/28 |
26.622 |
29.139 |
32.342 |
36.557 |
42.353 | |
|
29/30 |
26.622 |
29.139 |
32.342 |
36.557 |
42.353 | |
|
31/32 |
26.872 |
29.321 |
32.409 |
36.424 |
41.855 | |
|
33/34 |
26.622 |
29.139 |
32.342 |
36.557 |
42.353 | |
|
35/36 |
26.872 |
29.321 |
32.409 |
36.424 |
41.855 | |
![]() |
規格
JP2S.. |
實際傳動比 | |||||||||
|
45 |
50 |
56 |
63 |
71 |
80 |
90 |
100 |
112 |
125 | ||
|
9 |
45.601 |
51.544 |
59.715 |
61.953 |
71.775 |
78.782 |
91.272 |
99.735 |
115.55 |
124.74 | |
|
10 |
45.601 |
51.544 |
59.715 |
61.953 |
71.775 |
78.782 |
91.272 |
99.735 |
115.55 |
124.74 | |
|
11 |
43.209 |
48.561 |
55.802 |
63.399 |
72.853 |
81.303 |
93.426 |
99.678 |
114.54 |
123.14 | |
|
12 |
41.719 |
46.887 |
53.878 |
61.213 |
70.340 |
78.499 |
90.205 |
96.241 |
110.59 |
118.90 | |
|
13 |
43.797 |
49.505 |
57.353 |
59.977 |
69.485 |
78.827 |
91.324 |
95.963 |
111.18 |
119.12 | |
|
14 |
43.797 |
49.505 |
57.353 |
59.977 |
69.485 |
78.827 |
91.324 |
95.963 |
111.18 |
119.12 | |
|
16 |
42.318 |
47.833 |
55.417 |
61.438 |
71.178 |
78.788 |
91.278 |
96.594 |
111.91 |
120.31 | |
|
17 |
42.318 |
47.833 |
55.417 |
61.438 |
71.178 |
78.788 |
91.278 |
96.594 |
111.91 |
120.31 | |
|
18 |
42.867 |
48.454 |
56.136 |
60.320 |
69.882 |
78.976 |
91.496 |
95.963 |
111.18 |
119.12 | |
|
19/20 |
45.725 |
51.684 |
59.878 |
64.341 |
74.541 |
84.241 |
97.596 |
102.36 |
118.59 |
127.06 | |
|
21/22 |
46.357 |
52.399 |
60.706 |
66.084 |
76.561 |
84.746 |
98.182 |
103.90 |
120.37 |
129.41 | |
|
23/24 |
45.373 |
50.993 |
58.597 |
64.442 |
74.051 |
82.781 |
95.123 |
101.60 |
116.75 |
125.56 | |
|
25/26 |
45.373 |
50.993 |
58.597 |
64.442 |
74.051 |
82.781 |
95.123 |
101.60 |
116.75 |
125.56 | |
|
27/28 |
46.948 |
53.067 |
61.480 |
66.345 |
76.863 |
82.241 |
97.596 |
102.36 |
118.59 |
127.06 | |
|
29/30 |
46.948 |
53.067 |
61.480 |
66.345 |
76.863 |
82.241 |
97.596 |
102.36 |
118.59 |
127.06 | |
|
31/32 |
45.575 |
51.221 |
58.858 |
66.102 |
75.958 |
83.932 |
96.448 |
104.30 |
119.86 |
127.56 | |
|
33/34 |
45.481 |
51.409 |
59.559 |
66.345 |
76.863 |
84.241 |
97.596 |
104.69 |
121.28 |
129.08 | |
|
35/36 |
45.373 |
50.993 |
58.597 |
66.562 |
75.338 |
81.252 |
93.368 |
100.53 |
115.52 |
129.20 | |
JP系列行星減速器 型號JP3N..,JP3S..實際傳動比
![]() |
規格
JP3N.. |
實際傳動比 | ||||||
|
140 |
160 |
180 |
200 |
225 |
250 |
280 | ||
|
9 |
146.81 |
165.95 |
192.25 |
210.43 |
233.57 |
264.01 |
305.86 | |
|
10 |
146.81 |
165.95 |
192.25 |
210.43 |
233.57 |
264.01 |
305.86 | |
|
11 |
147.12 |
165.34 |
189.99 |
207.96 |
230.82 |
260.90 |
302.26 | |
|
12 |
142.04 |
159.64 |
183.44 |
200.79 |
222.86 |
251.90 |
291.84 | |
|
13 |
142.94 |
161.57 |
187.19 |
204.88 |
227.41 |
257.04 |
297.79 | |
|
14 |
142.94 |
161.57 |
187.19 |
204.88 |
227.41 |
257.04 |
297.79 | |
|
16 |
143.08 |
161.73 |
187.37 |
204.45 |
225.98 |
253.97 |
291.84 | |
|
17 |
143.08 |
161.73 |
187.37 |
204.45 |
225.98 |
253.97 |
291.84 | |
|
18 |
142.94 |
161.57 |
187.19 |
204.88 |
227.41 |
257.04 |
297.79 | |
|
19/20 |
152.47 |
172.34 |
199.66 |
218.54 |
242.57 |
274.18 |
317.65 | |
|
21/22 |
152.47 |
172.34 |
199.66 |
218.54 |
242.57 |
274.18 |
317.65 | |
|
23/24 |
152.79 |
171.71 |
197.32 |
215.97 |
239.71 |
270.95 |
313.91 | |
|
25/26 |
152.79 |
171.71 |
197.32 |
215.97 |
239.71 |
270.95 |
313.91 | |
|
27/28 |
152.47 |
172.34 |
199.66 |
218.54 |
242.57 |
274.18 |
317.65 | |
|
29/30 |
152.47 |
172.34 |
199.66 |
218.54 |
242.57 |
274.18 |
317.65 | |
|
31/32 |
152.79 |
171.71 |
197.32 |
215.97 |
239.71 |
270.95 |
313.91 | |
|
33/34 |
153.90 |
173.96 |
201.54 |
219.91 |
243.07 |
273.18 |
313.91 | |
|
35/36 |
154.22 |
173.33 |
199.17 |
217.32 |
240.21 |
269.96 |
310.22 | |
![]() |
規格
JP3S.. |
實際傳動比 | ||||||||||
|
280 |
315 |
355 |
400 |
450 |
500 |
560 |
630 |
710 |
800 |
900 | ||
|
9 |
295.21 |
333.68 |
386.58 |
401.07 |
464.65 |
510.01 |
590.87 |
645.65 |
748.01 |
807.55 |
935.57 | |
|
10 |
295.21 |
333.68 |
386.58 |
401.07 |
464.65 |
510.01 |
590.87 |
645.65 |
748.01 |
807.55 |
935.57 | |
|
11 |
295.82 |
332.46 |
382.03 |
399.60 |
459.18 |
508.15 |
583.92 |
643.29 |
739.21 |
798.04 |
924.56 | |
|
12 |
285.62 |
320.46 |
368.86 |
385.82 |
443.35 |
490.62 |
563.78 |
621.11 |
713.72 |
770.53 |
892.68 | |
|
13 |
287.42 |
320.99 |
376.39 |
390.49 |
452.40 |
496.56 |
575.29 |
628.63 |
728.29 |
786.25 |
910.90 | |
|
14 |
287.42 |
324.88 |
376.39 |
390.49 |
452.40 |
496.56 |
575.29 |
628.63 |
728.29 |
786.25 |
910.90 | |
|
16 |
268.53 |
324.88 |
351.65 |
396.27 |
459.10 |
508.18 |
588.75 |
623.03 |
721.81 |
776.02 |
891.73 | |
|
17 |
268.53 |
303.53 |
351.65 |
396.27 |
459.10 |
508.18 |
588.75 |
623.03 |
721.81 |
776.02 |
891.73 | |
|
18 |
283.53 |
320.48 |
371.29 |
388.27 |
449.83 |
510.30 |
591.20 |
621.23 |
719.72 |
771.13 |
893.38 | |
|
19/20 |
302.43 |
341.84 |
396.04 |
414.16 |
479.81 |
544.32 |
630.61 |
662.65 |
767.70 |
822.54 |
952.94 | |
|
21/22 |
302.43 |
341.84 |
396.04 |
414.16 |
479.81 |
544.32 |
630.61 |
662.65 |
767.70 |
822.54 |
952.94 | |
|
23/24 |
295.28 |
331.86 |
381.34 |
426.24 |
489.80 |
546.61 |
628.12 |
670.15 |
770.08 |
829.80 |
961.35 | |
|
25/26 |
295.28 |
331.86 |
381.34 |
426.24 |
489.80 |
546.61 |
628.12 |
670.15 |
770.08 |
829.80 |
961.38 | |
|
27/28 |
296.01 |
334.59 |
387.63 |
416.52 |
482.56 |
545.35 |
631.81 |
662.65 |
767.70 |
822.54 |
952.94 | |
|
29/30 |
296.01 |
334.59 |
387.63 |
416.52 |
482.56 |
545.35 |
631.81 |
662.65 |
767.70 |
822.54 |
952.94 | |
|
31/32 |
300.72 |
337.97 |
388.37 |
426.24 |
489.80 |
546.61 |
628.12 |
670.15 |
770.08 |
827.92 |
959.17 | |
|
33/34 |
292.05 |
330.11 |
382.45 |
417.18 |
483.31 |
535.90 |
620.86 |
657.74 |
762.02 |
819.53 |
941.73 | |
|
35/36 |
292.66 |
328.90 |
377.95 |
415.65 |
477.63 |
533.94 |
613.55 |
655.34 |
753.05 |
809.89 |
930.65 | |
JP系列行星減速器 型號JP2L..,JP2K.,JP3K..實際傳動比
![]() |
規格
JP3N |
實際傳動比 | ||||||||||
|
31.5 |
35.5 |
40 |
45 |
50 |
56 |
63 |
71 |
80 |
90 |
100 | ||
|
9 |
32.5354 |
35.6114 |
39.5264 |
43.8820 |
50.4205 |
55.7279 |
60.4522 |
69.6116 |
79.0595 |
86.2395 |
98.2172 | |
|
10 |
32.5354 |
35.6114 |
39.5264 |
43.8820 |
50.4205 |
55.7279 |
60.4522 |
69.6116 |
79.0529 |
86.2395 |
98.2172 | |
|
11 |
32.8413 |
35.8344 |
39.6083 |
43.4178 |
50.5248 |
55.8432 |
60.5774 |
69.7558 |
79.9667 |
86.4181 |
98.4206 | |
|
12 |
31.7089 |
34.5987 |
38.2425 |
41.9206 |
48.7826 |
53.9176 |
58.4885 |
67.3504 |
77.2092 |
83.4381 |
95.0268 | |
|
13 |
31.6775 |
34.6724 |
38.2425 |
42.1855 |
49.0910 |
54.2584 |
62.3262 |
67.7760 |
77.6972 |
83.9655 |
95.6273 | |
|
14 |
31.6775 |
34.6724 |
38.4842 |
42.1855 |
49.0910 |
54.2584 |
62.3262 |
67.7760 |
77.6972 |
83.9688 |
95.6273 | |
|
16 |
31.4135 |
34.3835 |
38.1635 |
41.8340 |
48.6818 |
53.8026 |
61.8068 |
67.2113 |
77.0497 |
83.2657 |
94.8304 | |
|
17 |
31.4135 |
34.3835 |
38.1635 |
41.8340 |
48.6818 |
53.8026 |
61.8068 |
67.2113 |
77.0497 |
83.2657 |
94.8304 | |
|
18 |
31.4286 |
34.4000 |
38.1818 |
43.1490 |
49.0910 |
54.8663 |
62.3262 |
67.7760 |
77.6972 |
83.9655 |
95.6273 | |
|
19/20 |
33.5238 |
36.6933 |
40.7273 |
46.0255 |
52.3636 |
58.5241 |
66.4813 |
72.2944 |
82.8770 |
89.5631 |
102.0025 | |
|
21/22 |
33.5238 |
36.6933 |
40.7273 |
46.0255 |
52.3636 |
58.5241 |
66.4813 |
72.2944 |
82.8770 |
89.5631 |
102.0025 | |
|
23/24 |
33.8391 |
36.9231 |
40.8116 |
46.1208 |
52.4720 |
58.6452 |
66.6189 |
72.4441 |
83.0486 |
89.7486 |
102.2137 | |
|
25/26 |
33.8391 |
36.9231 |
40.8116 |
46.1208 |
52.1366 |
58.6452 |
66.6189 |
72.4441 |
83.0486 |
89.7486 |
102.2137 | |
|
27/28 |
33.5238 |
36.6933 |
40.7273 |
46.0255 |
52.0288 |
58.5241 |
66.4813 |
72.2944 |
82.8770 |
89.5631 |
102.0025 | |
|
29/30 |
33.5238 |
36.6933 |
40.7273 |
46.0255 |
52.0288 |
58.5241 |
66.4813 |
72.2944 |
82.8770 |
89.5631 |
102.0025 | |
![]() |
規格
JP3N |
實際傳動比 | |||||||||||||
|
112 |
125 |
140 |
160 |
180 |
200 |
225 |
250 |
280 |
320 |
360 |
400 |
450 |
500 | ||
|
9 |
111.25 |
125.75 |
145.69 |
157.28 |
175.77 |
203.53 |
223.22 |
242.15 |
278.84 |
316.65 |
345.44 |
393.42 |
442.27 |
487.63 | |
|
10 |
111.25 |
125.75 |
145.69 |
157.28 |
175.77 |
203.53 |
223.22 |
242.15 |
278.84 |
316.65 |
345.44 |
393.42 |
442.27 |
487.63 | |
|
11 |
111.83 |
125.68 |
144.42 |
155.27 |
173.52 |
200.92 |
220.36 |
239.04 |
275.26 |
312.60 |
341.01 |
388.38 |
436.6 |
481.38 | |
|
12 |
107.97 |
121.35 |
139.44 |
149.91 |
167.54 |
193.99 |
212.76 |
230.80 |
265.77 |
301.82 |
329.25 |
374.98 |
421.54 |
464.78 | |
|
13 |
107.76 |
121.80 |
141.11 |
151.19 |
167.85 |
192.86 |
213.16 |
231.23 |
266.26 |
302.38 |
329.86 |
375.68 |
422.33 |
465.64 | |
|
14 |
107.76 |
121.80 |
141.11 |
151.19 |
167.85 |
192.86 |
213.16 |
231.23 |
266.26 |
302.38 |
329.86 |
375.68 |
422.33 |
465.64 | |
|
16 |
108.47 |
122.60 |
142.04 |
153.05 |
167.77 |
195.23 |
215.79 |
234.08 |
269.55 |
309.00 |
333.93 |
380.31 |
427.53 |
471.38 | |
|
17 |
108.47 |
122.60 |
142.04 |
153.05 |
167.77 |
195.23 |
215.79 |
234.08 |
269.55 |
309.00 |
333.93 |
380.31 |
427.53 |
471.38 | |
|
18 |
107.76 |
121.80 |
141.11 |
151.19 |
165.73 |
192.86 |
213.16 |
244.85 |
266.26 |
305.24 |
329.86 |
375.68 |
422.33 |
465.64 | |
|
19/20 |
114.94 |
129.92 |
150.52 |
161.27 |
176.78 |
205.71 |
227.37 |
261.18 |
284.01 |
325.59 |
329.86 |
400.72 |
450.48 |
496.68 | |
![]() |
規格
JP3N |
實際傳動比 | ||||||||
|
560 |
630 |
710 |
800 |
900 |
1000 |
1120 |
1250 |
1400 | ||
|
9 |
566.22 |
640.02 |
700.53 |
777.54 |
878.88 |
982.19 |
1137.3 |
1247.3 |
1353.1 | |
|
10 |
566.22 |
640.02 |
700.53 |
777.54 |
878.88 |
982.19 |
1137.3 |
1247.3 |
1353.1 | |
|
11 |
567.40 |
637.68 |
697.96 |
774.70 |
875.66 |
978.60 |
1133.1 |
1242.8 |
1348.1 | |
|
12 |
547.83 |
615.69 |
673.90 |
747.98 |
845.66 |
944.85 |
1094.0 |
1199.9 |
1301.6 | |
|
13 |
551.29 |
623.14 |
682.06 |
757.04 |
855.70 |
956.30 |
1107.3 |
1214.4 |
1317.4 | |
|
14 |
551.29 |
623.14 |
682.06 |
757.04 |
855.70 |
956.30 |
1107.3 |
1214.4 |
1317.4 | |
|
16 |
551.25 |
623.09 |
679.88 |
751.48 |
844.56 |
943.84 |
1092.9 |
1198.6 |
1300.2 | |
|
17 |
551.25 |
623.09 |
679.88 |
751.48 |
844.56 |
943.84 |
1092.9 |
1198.6 |
1300.2 | |
|
18 |
544.28 |
615.21 |
673.37 |
747.40 |
844.81 |
937.90 |
1077.6 |
1191.1 |
1392.1 | |
|
19/20 |
580.56 |
656.22 |
718.27 |
797.23 |
901.13 |
1000.4 |
1149.5 |
1270.5 |
1378.2 | |
|
21/22 |
580.56 |
656.22 |
718.27 |
797.23 |
901.13 |
1000.4 |
1149.5 |
1270.5 |
1378.2 | |
|
23/24 |
593.88 |
667.44 |
730.55 |
810.87 |
916.54 |
1004.7 |
1169.1 |
1292.2 |
1401.8 | |
|
25/26 |
593.88 |
667.44 |
730.55 |
810.87 |
916.54 |
1004.7 |
1169.1 |
1292.2 |
1401.8 | |
|
27/28 |
580.56 |
656.22 |
718.27 |
797.23 |
901.13 |
987.80 |
1149.5 |
1270.5 |
1459.4 | |
|
29/30 |
580.56 |
656.22 |
718.27 |
797.23 |
901.13 |
987.80 |
1149.5 |
1270.5 |
1459.4 | |
![]() |
規格
JP3N |
實際傳動比 | ||||||||
|
1600 |
1800 |
2000 |
2240 |
2500 |
2800 |
3150 |
3550 |
4000 | ||
|
9 |
1558.1 |
1769.4 |
1930.3 |
2198.4 |
2471.3 |
2724.8 |
3105.0 |
3597.2 |
4167.5 | |
|
10 |
1558.1 |
1769.4 |
1930.3 |
2198.4 |
2471.3 |
2427.8 |
3105.0 |
3597.2 |
4167.5 | |
|
11 |
1552.4 |
1762.9 |
1923.2 |
2190.3 |
2462.3 |
2714.8 |
3093.6 |
3584.1 |
4118.5 | |
|
12 |
1498.9 |
1702.1 |
1856.9 |
2114.8 |
2377.4 |
2621.2 |
2986.9 |
3460.5 |
3976.5 | |
|
13 |
1517.0 |
1722.8 |
1879.4 |
2140.4 |
2406.1 |
2652.9 |
3023.1 |
3502.4 |
4057.6 | |
|
14 |
1517.0 |
1722.8 |
1879.4 |
2140.4 |
2406.1 |
2652.9 |
3023.1 |
3502.4 |
4057.6 | |
|
16 |
1497.3 |
1700.3 |
1854.9 |
2115.5 |
2374.8 |
2618.4 |
2983.8 |
3428.7 |
3972.2 | |
|
17 |
1497.3 |
1700.3 |
1854.9 |
2115.5 |
2374.8 |
2618.4 |
2983.8 |
3428.7 |
3972.2 | |
|
18 |
1487.8 |
1689.6 |
1843.2 |
2099.2 |
2359.9 |
2601.9 |
2965.0 |
3435.0 |
3979.6 | |
|
19/20 |
1587.0 |
1802.3 |
1966.1 |
2239.2 |
2517.2 |
2775.4 |
3162.6 |
3664.0 |
4244.9 | |
|
21/22 |
1587.0 |
1802.3 |
1966.1 |
2239.2 |
2517.2 |
2775.4 |
3162.6 |
3664.0 |
4244.9 | |
|
23/24 |
1614.2 |
1850.4 |
1999.7 |
2277.5 |
2560.2 |
2822.8 |
3216.7 |
3726.7 |
4282.4 | |
|
25/26 |
1614.2 |
1850.4 |
1999.7 |
2277.5 |
2560.2 |
2822.8 |
3216.7 |
3726.7 |
4282.4 | |
|
27/28 |
1587.0 |
1819.3 |
1966.1 |
2239.2 |
2517.2 |
2775.4 |
3126.6 |
3664.0 |
4244.9 | |
|
29/30 |
1587.0 |
1819.3 |
1966.1 |
2239.2 |
2517.2 |
2775.4 |
3126.6 |
3664.0 |
4244.9 | |
JP系列行星減速器 規格9..36 帶脹緊盤空心輸出軸

|
機座號 |
輸出扭矩
T2N
(N.m) |
脹 緊 盤 | |||
|
內徑 |
D |
螺栓 |
重量
(kg) | ||
|
9
10
11 |
22000
31000
42000 |
155
165
185 |
263
290
330 |
M12
M16
M16 |
15
22
37 |
|
12
13
14 |
60000
83000
117000 |
220
240
280 |
370
405
460 |
M16
M20
M20 |
54
67
102 |
|
16
17
18 |
160000
202000
244000 |
300
320
340 |
485
520
570 |
M20
M20
M20 |
118
131
186 |
|
19
20
21 |
295000
354000
392000 |
360
380
390 |
590
650
650 |
M20
M24
M24 |
204
250
250 |
|
22
23
24 |
450000
513000
592000 |
420
440
460 |
670
740
770 |
M24
M24
M24 |
300
400
420 |
|
25
26
27 |
684000
763000
852000 |
480
500
530 |
800
850
910 |
M24
M27
M30 |
500
570
744 |
|
28
29
30 |
950000
1060000
1200000 |
560
560
590 |
940
940
960 |
M30
M30
M30 |
776
736
845 |
|
31
32
33 |
1330000
1500000
1680000 |
590
620
660 |
960
1020
1070 |
M30
M30
M33 |
835
1064
1178 |
|
34
35
36 |
1920000
2240000
2600000 |
700
750
800 |
1140
1150
1230 |
M33
M33
M33 |
1345
1346
1646 |
JP系列行星減速器 規格9..30漸開線花鍵空心輸出軸

|
機座號 |
輸出
扭矩
(N.m) |
漸開線花鍵空心輸出軸 | |||||||
|
內花鍵規格
DIN54801) |
b |
c
H7 |
d |
e
H7 |
f |
G2 |
g | ||
|
9
10
11 |
22000
31000
42000 |
120×5×30×22×9H
130×5×30×24×9H
140×5×30×26×9H |
70
80
90 |
122
132
142 |
40
40
45 |
107
117
125 |
20
20
25 |
165
174
204 |
150
160
180 |
|
12
13
14 |
60000
83000
117000 |
160×5×30×30×9H
180×5×30×34×9H
210×5×30×40×9H |
100
110
125 |
162
182
212 |
45
45
45 |
145
165
195 |
25
25
25 |
223
237
264 |
190
200
215 |
|
16
17
18 |
160000
202000
244000 |
240×8×30×28×9H
250×8×30×30×9H
260×8×30×31×9H |
140
150
160 |
242
252
262 |
50
50
50 |
220
230
240 |
25
30
30 |
285
290
303 |
235
250
260 |
|
19
20
21 |
295000
354000
392000 |
280×8×30×34×9H
300×8×30×36×9H
310×8×30×37×9H |
170
180
190 |
282
302
312 |
50
50
60 |
260
280
290 |
30
30
40 |
327.5
327.5
354 |
270
280
310 |
|
22
23
24 |
450000
513000
592000 |
330×8×30×40×9H
340×8×30×41×9H
360×8×30×44×9H |
200
200
220 |
332
342
362 |
60
60
60 |
310
320
340 |
40
40
40 |
354
348
368 |
320
320
340 |
|
25
26
27 |
684000
763000
852000 |
380×8×30×46×9H
400×8×30×48×9H
440×8×30×34×9H |
230
240
250 |
382
402
442 |
60
60
60 |
360
380
420 |
40
40
40 |
372
382
423 |
350
360
370 |
|
28
29
30 |
950000
1060000
1200000 |
450×8×30×55×9H
460×8×30×56×9H
480×8×30×58×9H |
260
270
285 |
452
462
482 |
65
65
65 |
430
440
460 |
40
45
45 |
428
433
448 |
385
400
415 |
1)可提供GB3478標準漸開線花鍵,如需要請與廠家聯系
JP系列行星減速器 規格9..36帶平鍵實心輸出軸

|
機座號 |
輸出扭矩
T2N
(N.m) |
實 心 軸 | |||
|
d2
n6 |
l2 |
G2 |
FR2 | ||
|
9
10
11 |
22000
31000
42000 |
120
130
150 |
210
210
240 |
95
95
109 |
請咨詢 |
|
12
13
14 |
60000
83000
117000 |
160
180
210 |
270
310
350 |
106
118
139 | |
|
16
17
18 |
160000
202000
244000 |
230
250
260 |
350
400
400 |
142
139
134 | |
|
19
20
21 |
295000
354000
392000 |
280
300
310 |
450
500
500 |
148.5
148.5
158 | |
|
22
23
24 |
450000
513000
592000 |
330
350
360 |
500
550
590 |
158
175
175 | |
|
25
26
27 |
684000
763000
852000 |
380
400
430 |
590
650
690 |
182
182
196.5 | |
|
28
29
30 |
950000
1060000
1200000 |
450
460
480 |
750
750
790 |
196.5
209
209 | |
|
31
32
33 |
1330000
1500000
1680000 |
500
510
530 |
790
850
900 |
232
232
251 | |
|
34
35
36 |
1920000
2240000
2600000 |
570
600
640 |
950
1000
1000 |
251
267
267 | |
JP系列行星減速器 規格9.. 30漸開線花鍵實心輸出軸尺寸

|
機座號 |
輸出扭矩
T2N
(N.m) |
漸開線花鍵實心輸出軸 | |||||||||||
|
外花鍵規格
DIN54802) |
t |
b |
c
k6 |
d |
e
k6 |
f |
g |
k |
n |
G2 |
FR2 | ||
|
9
10
11 |
22000
31000
42000 |
130×5×30×24×8m
140×5×30×26×8m
160×5×30×30×8m |
70
80
90 |
80
90
100 |
110
120
140 |
20
20
25 |
132
142
162 |
20
20
25 |
120
130
150 |
80
90
110 |
3×M16×24
3×M16×24
3×M16×24 |
95
95
109 |
請
咨
詢 |
|
12
13
14 |
60000
83000
117000 |
180×5×30×34×8m
200×5×30×38×8m
220×5×30×42×8m |
100
110
125 |
110
120
135 |
90
100
120 |
25
30
30 |
182
202
222 |
25
25
30 |
160
175
195 |
130
140
160 |
3×M16×24
3×M16×24
3×M16×24 |
106
118
139 | |
|
16
17
18 |
160000
202000
244000 |
250×8×30×30×8m
260×8×30×31×8m
280×8×30×34×8m |
140
150
160 |
155
165
175 |
140
155
170 |
35
40
40 |
252
262
282 |
30
35
35 |
220
240
250 |
185
200
215 |
3×M20×30
3×M20×30
3×M20×30 |
142
139
134 | |
|
19
20
21 |
295000
354000
392000 |
300×8×30×36×8m
310×8×30×37×8m
320×8×30×38×8m |
170
180
190 |
185
195
205 |
180
190
200 |
40
40
40 |
302
312
322 |
35
35
35 |
260
270
280 |
225
235
250 |
3×M20×30
6×M20×30
6×M20×30 |
148.5
148.5
158 | |
|
22
23
24 |
450000
513000
592000 |
340×8×30×41×8m
360×8×30×44×8m
380×8×30×46×8m |
200
200
220 |
215
215
235 |
210
230
245 |
40
40
40 |
342
362
382 |
35
35
35 |
290
290
310 |
265
275
290 |
6×M20×30
6×M20×30
6×M20×30 |
158
175
175 | |
|
25
26
27 |
684000
763000
852000 |
400×8×30×48×8m
420×8×30×51×8m
440×8×30×54×8m |
230
240
250 |
245
255
265 |
260
280
310 |
40
40
40 |
402
422
442 |
35
35
35 |
320
330
340 |
310
330
370 |
6×M24×36
6×M24×36
6×M24×36 |
182
182
196.5 | |
|
28
29
30 |
950000
1060000
1200000 |
450×8×30×35×8m
460×8×30×56×8m
480×8×30×58×8m |
260
270
285 |
275
285
300 |
330
340
360 |
45
45
45 |
452
462
482 |
40
40
40 |
360
370
385 |
380
390
410 |
6×M24×36
6×M24×36
6×M24×36 |
196.5
209
209 | |
1)可提供GB3478標準漸開線花鍵,如需要請與廠家聯系

|
尺 寸 | |||||||||||||||
|
機座號 |
a |
b |
c |
d |
e |
h |
H |
m1 |
m2 |
m3 |
m4 |
n |
螺栓孔 |
重量 | |
|
S |
數量 | ||||||||||||||
|
9
10
11 |
580
630
680 |
330
360
400 |
20
25
30 |
450
500
550 |
380
430
480 |
260
280
315 |
480
525
585 |
520
570
620 |
260
290
330 |
130
145
110 |
240
240
274 |
35
35
35 |
26
26
26 |
2×3
2×3
2×4 |
56
82
122 |
|
12
13
14 |
760
820
920 |
450
490
560 |
30
35
35 |
630
680
760 |
560
610
680 |
360
390
430 |
670
720
800 |
700
750
840 |
380
420
480 |
95
105
120 |
292
334
380 |
35
35
40 |
26
26
33 |
2×5
2×5
2×5 |
157
213
270 |
|
16
17
18 |
980
1130
1180 |
580
670
720 |
40
45
45 |
820
940
980 |
700
810
830 |
470
540
560 |
865
998
1035 |
900
1040
1080 |
500
580
620 |
125
145
155 |
374
405
385 |
40
45
50 |
33
39
39 |
2×5
2×5
2×5 |
350
520
580 |
|
19
20
21 |
1260
1260
1440 |
760
760
840 |
50
50
55 |
1050
1050
1170 |
880
880
1020 |
590
590
660 |
1090
1090
1228 |
1160
1160
1320 |
640
640
700 |
160
160
175 |
450
500
513 |
60
60
70 |
45
45
52 |
2×5
2×5
2×5 |
720
720
940 |
|
22
23
24 |
1440
1540
1540 |
840
910
910 |
55
60
60 |
1170
1270
1270 |
1020
1100
1100 |
660
730
730 |
1228
1345
1345 |
1320
1420
1420 |
700
750
750 |
175
150
150 |
513
567
607 |
70
80
80 |
52
52
52 |
2×5
2×6
2×6 |
940
1275
1275 |
|
25
26
27 |
1700
1700
1850 |
1000
1000
1100 |
65
65
70 |
1400
1400
1550 |
1240
1240
1370 |
795
795
870 |
1465
14654
1610 |
1550
1550
1700 |
860
860
950 |
215
215
190 |
574
634
664 |
70
70
75 |
62
62
62 |
2×5
2×5
2×6 |
1670
1670
2170 |
|
28
29
30 |
1850
1980
1980 |
1100
1180
1180 |
70
75
75 |
1550
1640
1640 |
1370
1460
1460 |
870
925
925 |
1610
1715
1715 |
1700
1820
1820 |
950
1000
1000 |
190
250
250 |
724
731
771 |
75
90
90 |
62
70
70 |
2×6
2×5
2×5 |
2170
2650
2650 |
|
31
32
33
34 |
2150
2150
2230
2230 |
1300
1300
1350
1350 |
75
75
85
85 |
1750
1750
1850
1850 |
1570
1570
1630
1630 |
1000
1000
1050
1050 |
1845
1845
1940
1940 |
1950
1950
2050
2050 |
1100
1100
1150
1150 |
220
220
230
230 |
773
833
883
933 |
100
100
100
100 |
70
70
78
78 |
2×6
2×6
2×6
2×6 |
3100
3100
3850
3850 |
|
35+36 |
根據用戶要求供貨 | ||||||||||||||
JP系列行星減速器附件、單側扭矩支撐臂

|
機座號 |
輸出扭矩
T2N
(N.m) |
D1
js6 |
D2
G7 |
D3 |
G2 |
G10 |
a
min |
b |
B
1) |
c |
e |
f |
g±0.2 |
h |
j |
間隙
K |
m |
n |
滑動
軸承
內徑 |
重量 |
|
9
10
11 |
22000
31000
42000 |
30
35
40 |
440
485
540 |
465
174
204 |
25
30
30 |
15
15
18 |
25
30
30 |
22
25
28 |
18
20
22 |
50
52.5
65 |
140
140
160 |
59.5
64.5
70.5 |
100
105
130 |
70
75
85 |
3.5
5
4 |
605
667.5
750 |
555
615
685 |
30
35
40 |
38
51
82 | |
|
12
13
14 |
60000
83000
117000 |
40
45
50 |
620
665
740 |
224
241
278 |
30
35
40 |
18
20
20 |
30
35
40 |
28
32
35 |
22
25
30 |
65
72.5
72.5 |
160
180
200 |
70.5
79.5
85 |
130
145
145 |
85
95
100 |
4
5
5 |
850
912.5
1012.5 |
785
840
910 |
40
45
50 |
85
113
145 | |
|
16
17
18 |
160000
202000
244000 |
60
60
70 |
790
915
955 |
285
294
303 |
50
50
55 |
25
25
30 |
50
50
55 |
44
44
49 |
35
35
40 |
77.5
85
105 |
240
240
280 |
105
105
120 |
155
170
210 |
120
120
135 |
7.5
7.5
7.5 |
1077.5
1250
1315 |
1000
1165
1210 |
60
60
70 |
206
274
365 | |
|
19
20
21 |
295000
354000
392000 |
80
80
80 |
1005
1005
1140 |
327.5
327.5
354 |
60
60
60 |
30
30
30 |
60
60
60 |
55
55
55 |
45
45
45 |
105
105
113 |
320
320
320 |
125
125
125 |
210
210
225 |
145
145
145 |
7.5
7.5
7.5 |
1405
1405
1562.5 |
1300
1300
1450 |
80
80
80 |
423
423
530 | |
|
22
23
24 |
450000
513000
592000 |
80
90
90 |
1140
1235
1235 |
354
380
380 |
60
65
65 |
30
30
30 |
60
65
65 |
55
60
60 |
45
50
50 |
113
125
125 |
320
360
360 |
125
130
130 |
225
250
250 |
145
150
150 |
7.5
7.5
7.5 |
1562.5
1700
1700 |
1450
1575
1575 |
80
90
90 |
530
665
665 | |
|
25
26
27 |
684000
763000
852000 |
100
100
110 |
1350
1350
1490 |
407
407
453 |
75
75
75 |
35
35
35 |
75
75
75 |
70
70
70 |
55
55
55 |
138
138
150 |
400
400
440 |
150
150
150 |
275
275
300 |
170
170
175 |
10
10
10 |
1857.5
1857.5
2050 |
1720
1720
1900 |
100
100
110 |
940
940
1120 | |
|
28
29
30 |
950000
1060000
1200000 |
110
110
110 |
1490
1600
1600 |
453
483
483 |
75
75
75 |
35
35
35 |
75
75
75 |
70
70
70 |
55
55
55 |
150
158
158 |
440
440
440 |
150
150
150 |
300
315
315 |
175
175
175 |
10
10
10 |
2050
2192.5
2192.5 |
1900
2035
2035 |
110
110
110 |
1120
1260
1260 | |
|
31~36 |
根據用戶要求供貨 | |||||||||||||||||||
1)公稱尺寸B=22-35,公差-0.12
公稱尺寸B=44-55,公差-0.15
公稱尺寸B=60-70,公差-0.20
| 頁次:3/4 每頁10條 共38條信息 分頁:[1][2][3][4] |








