Product list產品列表
Customer service在線客服
產品展示
產品特點
YTH型外裝式減速滾筒采用引進德國先進的電動滾筒生產技術,硬齒面行星齒輪傳動,運行平穩。噪音低、過載能力強,功率范圍大,可配置液力偶合器、逆止器,可配隔爆電機,適用作各種惡劣環境下及有隔爆要求的大中型帶式輸送機的驅動裝置。
標記示例

注:
1、帶逆止的滾筒旋向與本廠規定不同時,需訂貨時注明。
2、YTH-III型滾筒的安裝形式,訂貨時需注明。
3、滾筒表面可鑄平膠,人字形或菱形等花紋橡膠,訂貨時需注明。
|
YTH-I 型臥式直列型 |
型 號 |
名 稱 |
功率(KW) |
![]() |
YTH-I G |
臥式直列聯軸器型 |
2.2-250 |
|
YTH-I Y |
臥式直列偶合器型 | ||
|
YTHN-I G |
臥式直列逆止聯軸器型 | ||
|
YTHN-I Y |
臥式直列逆止偶合器型 | ||
|
YTHZ-I G |
臥式直列制動聯軸器型 | ||
|
YTHZ-I Y |
臥式直列制動偶合器型 | ||
|
YTHNd-I G |
臥式直列低速軸逆止聯軸器型 |
18.5-250 | |
|
YTHNd-I Y |
臥式直列低速軸逆止偶合器型 |
|
YTH-II 型立式電機型 |
型 號 |
名 稱 |
功率(KW) |
![]() |
YTH-II |
立式電機型 |
2.2-37 |
|
YTHN-II |
立式電機逆止型 |
|
YTH-III 型臥式垂直型 |
型 號 |
名 稱 |
功率(KW) |
![]() |
YTH-III G |
臥式垂直聯軸器型 |
18.5-160 |
|
YTH-III Y |
臥式垂直偶合器型 | ||
|
YTHN-III G |
臥式垂直逆止聯軸器型 | ||
|
YTHNd-III G |
臥式垂直低速軸逆止聯軸器型 | ||
|
YTHN-III Y |
臥式垂直逆止聯軸器型 | ||
|
YTHNd-III Y |
臥式垂直低速軸逆止聯軸器型 | ||
|
YTHZ-III G |
臥式垂直制動聯軸器型 |
|
隔 爆 型 |
型 號 |
備 注 |
|
用隔爆式電動機取代普通電動機而成隔爆型 |
YTH-B |
YTH-I、YTH-II、YTH-III各種型號均可派生成隔爆型 |
性能參數表
|
滾筒直徑
D(mm) |
皮帶寬度
B(mm) |
電機功率
P(kw) |
滾筒表面線速度 V(m/s) | |||||||||||||
|
0.20 |
0.25 |
0.32 |
0.40 |
0.50 |
0.63 |
0.80 |
1.0 |
1.25 |
1.60 |
2.0 |
2.5 |
3.15 |
4.0 | |||
|
Ø400 |
500
650 |
1.1,1.5,2.2 |
* |
* |
* |
* |
* |
* |
* |
* |
* |
* |
* |
- |
- |
- |
|
3.0,4.0 |
* |
* |
* |
* |
* |
* |
* |
* |
* |
* |
* |
- |
- |
- | ||
|
5.5,7.5 |
- |
- |
- |
- |
- |
- |
* |
* |
* |
* |
* |
- |
- |
- | ||
|
Ø500 |
500
650
800 |
2.2,3.0,4.0 |
- |
- |
* |
- |
- |
* |
* |
* |
* |
* |
* |
* |
* |
- |
|
5.5,7.5,11,15 |
- |
- |
- |
- |
- |
* |
* |
* |
* |
* |
* |
* |
* |
- | ||
|
18.5,22,30,37 |
- |
- |
- |
- |
- |
- |
* |
* |
* |
* |
* |
* |
* |
- | ||
|
Ø630 |
650
800
1000
1200
1400 |
5.5,7.5,11,15 |
- |
- |
- |
- |
- |
* |
* |
* |
* |
* |
* |
* |
* |
- |
|
18.5,22,30,37 |
- |
- |
- |
- |
- |
- |
- |
* |
* |
* |
* |
* |
* |
- | ||
|
45,55 |
- |
- |
- |
- |
- |
- |
- |
- |
* |
* |
* |
* |
* |
- | ||
|
Ø800 |
800
1000
1200
1400
1600 |
11,15 |
- |
- |
- |
- |
- |
- |
* |
* |
* |
* |
* |
* |
* |
* |
|
18.5,22,30,37 |
- |
- |
- |
- |
- |
- |
- |
- |
* |
* |
* |
* |
* |
* | ||
|
45,55 |
- |
- |
- |
- |
- |
- |
- |
- |
- |
* |
* |
* |
* |
* | ||
|
75,90,110,132,160 |
- |
- |
- |
- |
- |
- |
- |
- |
* |
* |
* |
* |
* |
- | ||
|
185,200 |
- |
- |
- |
- |
- |
- |
* |
* |
* |
* |
* |
* |
* |
- | ||
|
Ø1000 |
1000
1200
1400
1600 |
18.5,22,30,37 |
- |
- |
- |
- |
- |
- |
- |
- |
- |
* |
* |
* |
* |
* |
|
45,55 |
- |
- |
- |
- |
- |
- |
- |
- |
- |
- |
* |
* |
* |
* | ||
|
75,90,110,132,160 |
- |
- |
- |
- |
- |
- |
- |
- |
- |
* |
* |
* |
* |
* | ||
|
185,200,220,250 |
- |
- |
- |
- |
- |
- |
- |
* |
* |
* |
* |
* |
* |
* | ||
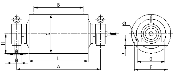
安裝尺寸及外形參數表

|
滾筒直徑
D(mm) |
B |
A |
L |
H |
M |
N |
P |
Q |
h |
d1 |
|
Ø400 |
500 |
850 |
600 |
120 |
90 |
- |
340 |
280 |
35 |
Ø27 |
|
650 |
1000 |
750 |
120 |
90 |
- |
340 |
280 |
35 |
Ø27 | |
|
Ø500 |
500 |
850 |
620 |
100 |
70 |
- |
340 |
280 |
35 |
Ø27 |
|
650 |
1000 |
750 |
120 |
90 |
- |
340 |
280 |
35 |
Ø27 | |
|
800 |
1300 |
950 |
120 |
90 |
- |
340 |
280 |
35 |
Ø27 | |
|
Ø630 |
650 |
1000 |
750 |
120 |
90 |
- |
340 |
280 |
35 |
Ø27 |
|
800 |
1300 |
950 |
140 |
130 |
80 |
400 |
330 |
35 |
Ø27 | |
|
1000 |
1500 |
1150 |
140 |
130 |
80 |
400 |
330 |
35 |
Ø27 | |
|
1200 |
1750 |
1400 |
160 |
160 |
90 |
440 |
360 |
50 |
Ø34 | |
|
1400 |
2000 |
1600 |
160 |
160 |
90 |
440 |
360 |
50 |
Ø34 | |
|
Ø800 |
800 |
1300 |
950 |
140 |
130 |
80 |
400 |
330 |
35 |
Ø27 |
|
1000 |
1500 |
1150 |
140 |
130 |
80 |
400 |
330 |
35 |
Ø27 | |
|
1200 |
1750 |
1400 |
160 |
160 |
90 |
440 |
360 |
50 |
Ø34 | |
|
1400 |
2000 |
1600 |
160 |
160 |
90 |
440 |
360 |
50 |
Ø34 | |
|
1600 |
2250 |
1800 |
160 |
160 |
90 |
440 |
360 |
50 |
Ø34 | |
|
Ø800
(>160KW) |
800 |
1300 |
950 |
180 |
200 |
105 |
600 |
520 |
60 |
Ø40 |
|
1000 |
1500 |
1150 |
180 |
200 |
105 |
600 |
520 |
60 |
Ø40 | |
|
1200 |
1750 |
1400 |
180 |
200 |
105 |
600 |
520 |
60 |
Ø40 | |
|
1400 |
2000 |
1600 |
180 |
200 |
105 |
600 |
520 |
60 |
Ø40 | |
|
1600 |
2250 |
1800 |
180 |
200 |
105 |
600 |
520 |
60 |
Ø40 | |
|
Ø1000 |
1000 |
1500 |
1150 |
145 |
140 |
80 |
400 |
330 |
50 |
Ø27 |
|
1200 |
1750 |
1400 |
160 |
160 |
90 |
440 |
360 |
50 |
Ø34 | |
|
1400 |
2000 |
1600 |
160 |
160 |
90 |
440 |
360 |
50 |
Ø34 | |
|
1600 |
2250 |
1800 |
160 |
160 |
90 |
440 |
360 |
50 |
Ø34 | |
|
Ø1000
(>160KW) |
1000 |
1500 |
1150 |
200 |
180 |
105 |
600 |
520 |
60 |
Ø40 |
|
1200 |
1750 |
1400 |
200 |
180 |
105 |
600 |
520 |
60 |
Ø40 | |
|
1400 |
2000 |
1600 |
200 |
180 |
105 |
600 |
520 |
60 |
Ø40 | |
|
1600 |
2250 |
1800 |
200 |
180 |
105 |
600 |
520 |
60 |
Ø40 |
| 頁次:1/1 每頁10條 共6條信息 分頁:[1] |




