2 平行軸少齒差行星傳動原理及齒形優化
2.1 引言
行星齒輪傳動最基本的形式是2K-H型,如圖2-1所示,其傳動比為:

由公式(2-1)可知,在徑向尺寸受到一定的限制時,要獲得較大的傳動比,必須減少中心輪Za的齒數。但Za受到最小根切齒數的限制,不能太小。因此,為了獨得較大的傳動比,人們把行星輪加大,甚至完全去掉中心輪,于是演變出行星齒輪傳動的另一種形式:K-H-V行星齒輪傳動,其結構圖見2-2所示。它的基本構件中心輪b、轉臂H和構件V,當中心輪固定,轉臂為主動,構件V從動時,傳動比為:

中心輪齒數與行星輪齒數之差越小,傳動比就越大,把這種傳動形式的行星傳動稱為少齒差行星齒輪傳動,常簡稱少齒差傳動。由于行星輪既作公轉又自轉,因此,要實現定軸輸出,還必須一個等角速比機構的輸出機構,稱之為“W機構”。

圖2-1 2K-H型行星齒輪傳動

圖2-2 K-H-V行星齒輪傳動
這兩種結構并沒有本質的區別,只是選擇不同的機構作輸出構件和機架,由此可見,少齒差行星齒輪傳動機構的實質是由周轉輪系與輸出機構或輸入機構組合而成的齒輪連桿機構,由于行星輪作平面運動,所以一般使由平面四連桿機構構成輸出或輸入機構。把輸出軸作為機架,行星輪作為連桿形成一四桿機構實現運動輸出,則所求的四桿機構必須滿足以下要求:
1)由于輸出的軸作圓周運動,故四桿機構存在曲柄;
2)連桿即行星輪,在機構導引下作圓周平動。
2.2 平行軸擺線針輪行星傳動原理與機構形式
2.2.1 平行軸擺線針輪減速器的結構

圖2.3 平行軸擺線針輪減速器的結構圖
1—箱體,2、4、11、14、22—軸承,3、15—高速軸,5、18—環板,6、10、13、17、21、25—端蓋,7—針齒,8—滾動套,9—低速軸,7、10、20—擺線輪,16—螺針,19、24—小齒輪,23—過橋齒輪。
圖2.3是本實用新型的實施結構圖之一。下面結合附圖予以說明:箱體由箱蓋和箱座構成,兩根高速軸3、15和一根低速軸9的兩端由軸承4、14和11支撐在箱座的軸承孔內,軸承外側裝有端蓋和密封圈;同一根高速軸上有兩個相位差成180°的偏心軸頸,偏心軸頸相當于曲柄機構,其中環板起連桿的作用;環板內孔的圓周上均布著針齒銷7,針齒銷外有滾動套8;當兩塊環板5、18上針齒銷與固聯在低速軸上且相應相位差成180°的兩個擺線齒輪12、20嚙合時,體內的兩根高速軸固聯相同的小齒輪119、24,在低速軸上空套一個過橋的大齒輪23,兩對外嚙合驅動雙曲柄順利通過死點。
2.2.2 傳動的原理
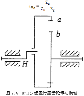
平行軸擺線針輪的基本原理是K-H少齒差行星齒輪傳動原理,見圖2.4,它應用2.1中結構形式,將平行雙曲柄四桿機構的曲柄,α是連桿內齒輪,b是定軸輸出外齒輪。其傳動比為:

2.2.3 傳動裝置的結構形式
在這個產行四邊形機構運動過程中,當兩曲柄與連桿共線時,在原曲柄轉向不變的條件下,從動曲柄會出現轉動方向不確定的現象,曲柄這時所處的位置稱為死點位置。
本研究在一個傳動裝置中采用兩個成一定相位差的平行雙曲柄四桿機構,它們的連桿內齒輪與兩個擺線輪相嚙合的情況。為了實現靜力平衡,兩個平行雙曲柄四桿機構的相位差設計為π,結構型式見圖2.5。

圖2.5 相位差π的平行雙曲柄四桿機構
采用圖2.5的結構盡管實現了靜平衡,但仍存在轉針方向不確定的問題。本文為解決此問題,提出了三種解決方案。
(1)加連桿
見圖2.6。當二塊環板處于死點位置時,連桿不在死點位置,即連桿與曲柄有一定的相位角,連桿帶動板越過死點位置。
(2)加惰輪機構
見圖2.7。輪1和輪3通過鍵與軸相連,齒輪2空套在軸上。Z1=Z3<Z2,因此ω1=ω3,齒輪不致產生干涉。

圖2.6 加連桿

圖2.7 加惰輪
(3)加皮帶輪
見圖2.8。
圖2.8 加皮帶輪
2.3 擺線針輪傳動的嚙合原理及齒形方程
2.3.1 擺線輪的標準齒形方程
建立如圖2.9的標架系:
xoy—絕對坐標系。
xclcyc—固定在擺線輪上的坐標系。
xpopyp—固定針輪上的坐標系。

圖2.9 標架關系

圖2.10 嚙合關系
建立圖2.10的嚙合關系,當針輪轉過φ角,擺線輪轉過φ1角,此時嚙合點是M點。根據嚙合原理[24],可推導出齒面方程。
令OMP=l,M坐標為M(x,y),

在△ОMPОP中,根據正弦定理有:

根據余弦定理有:

根據坐標間的關系有:

其中:

即有:

把(2-3)、(2-4)、(2-5)代入式(2-7)中得:

α——偏心距,α=r′P- r′c
φ——轉臂相對某一針齒中心矢徑的轉角
rrp——針齒套外圓半徑(mm)
2.3.2 擺線輪的通用齒形方程式
實際應用擺線針輪傳動時,為補償制造誤差,便于裝拆和保證潤滑,擺線輪齒與針齒之是必須有嚙合側隙。因此,實際的擺線輪不能采用標準齒形,都必須修形。
根據擺線針輪傳動的嚙合與展成法切削加工原理,擺線輪的齒形以下三種基本修形方法,即移距修形法、等距修形法及轉角修形法。

由(2-8)可知,擺線輪的實際齒形決定于rp,α,rrp,Zp,△rp,△rrp,δ這七個獨立參數。
2.4 兩齒差擺線輪的齒頂修形
傳動比i≤17,特別i≤11的擺線針輪傳動采用傳統的“一齒差”齒形時,理論上同時嚙合齒數本來就不多,為了形成必要的嚙合間隙以補償制造安裝誤差和滿足潤滑要求,擺線輪經過等距或移距修形后,則同時嚙合傳力的齒數就會更少,從而使承載能力降低,并容易產生膠合。為了克服“一齒差”在小傳動比時的弱點,本研究采用兩齒差擺線針輪傳動,如圖2.11所示。由于齒頂尖點使齒廓頂部強度不足,還會在傳動中引起噪聲,因此需要對齒頂修形[23,27]。

圖2.11 兩齒差擺線針輪
2.4.1 未修頂前齒頂圓的計算
在上圖中,兩條短幅外擺線等距曲線的交點構成了二齒差擺線輪的齒頂。

設點A坐標為(xa,ya),則:

由通用擺線輪齒形方程式可得出A點的坐標。
已知rp,rrp,a,Zp=Zp′/2,△rp,△rrp,δ,由式(2-9)算得λ值,再求出φA,xA,yA。那么未修形前齒頂圓的半徑rac即可由下式求得:

2.4.2 修頂曲線參數的選擇
為了便于在展成法擺線磨齒機上完成修形,本文采用一條短幅外擺線的等距曲線來修形齒頂。
1)目標函數
為使修頂曲線與工作齒廓相連處較光滑地過度,把優選修頂曲線與工作齒廓曲線交點處兩切矢的夾角的極小值作為目標函數。
2)結束條件
(1)修頂曲線不得產生頂切,其約束條件為:
g1(x)=rrp2-|ρ0|min<0
式中,|ρ0|min為修頂短幅外擺線等距曲線理論齒廓的最小曲率半徑。
(2)修頂曲線的起始點K應保證有足夠的同時嚙合傳力的齒數,通常設計時有4~5個齒輪同時嚙合,設對應于嚙合點最遠的針齒相對于轉臂的轉角(嚙合相位角)為φG,而擺線輪工作齒廓與修頂曲線交點K處的嚙合角為φK,可寫為如下的結束條件:
g2(x)=φG-φK<0
(3)在修頂起始起點K以前,兩齒差傳動擺線輪的工作齒廓MK不得與修頂曲線相交,以保證工作齒廓MK的正確齒形,此點可寫成約束條件:
g3(x)=x(y)-x2(y)<0
式中x(y),x2(y):分別為對應相同y坐標的工作齒廓的X坐標和修頂曲線的X坐標。
此外,為在展成法磨齒機上一次修完所有齒頂,修頂短幅外擺線的等距曲線參數擺線齒數ZC2通常選為兩齒差擺線輪實際齒數ZC′的2倍或3倍。修頂曲線的偏心距a2應符合擺線磨齒機的偏心距系列,通常為0.75,1.0,1.25,1.5等。為使磨齒砂輪有合理壽命,修頂曲線參數中的針齒半徑rrp2不應過小,3~5mm<rrp2<rrp/2。
根據上述的目標函數和約束條件,用牛頓迭代法進行優化,其程序框圖見2.12。
舉例:
已知參數如下:
| rp(mm) |
a(mm) |
rrp(mm) |
Zp |
ZP' |
△rp(mm) |
△rrp(mm) |
δ |
| 109 |
4 |
8.5 |
18 |
36 |
0.60544 |
-0.4554 |
0 |
優化后的修頂曲線的參數為:
| rp2(mm) |
a2(mm) |
rrp2(mm) |
Zp2 |
rac2(mm) |
| 103.13 |
0.75 |
3 |
102 |
105.88 |

圖2.12 二齒差擺線輪齒形修形的優化框圖
上一頁
下一頁