

會員
巴普曼行星減速機適用于松下、三菱、安川、富士、東元、臺達、力川、施耐德、漢德保、華大、東方、白山、雷賽等各品牌伺服電機與步進電機。
作為全球工業自動化系統解決方案領域的領跑者,在BUPERMANN(巴普曼),您可以享受系統的、專業的一站式服務:從自動化配件直至自動化設備整套解決方案。我們承諾不斷提供高質量的產品和世界知名的自動化技術滿足客戶需求,與客戶成為共贏的合作伙伴。
行星減速機產品性能特點:
1.低噪音:采用螺旋齒輪設計,實現了減速機的順暢,安靜運轉。
2.高精度:背隙可達3弧分之間,定位精確。
3.高剛性、高負載:輸出軸采用并列式圓錐滾子軸承設計,大大提高了減速機剛性和負載能力。
4.高效率:單段可達95%以上,雙段可達92%以上。
5.免維護:油脂磨耗低,可終身潤滑。
6.密封效果好:潤滑油脂具有高粘度,不易分離的特性,并采用IP65防護等級,確保無潤滑油脂泄露。
7.自由安裝:可任意安裝減速機。
8.適用性廣:適用于任意型式伺服電機。
BPBR行星減速機是一款配有正方形輸出法蘭的直角減速機。因此,其安裝十分便捷,可多面使用,而且由于配有較大規格的深溝球軸承,還能承受較高的徑向力和軸向力。
行星減速機產品參數:
傳動比:Ⅰ級: 4, 5, 7, 10 Ⅱ級:20, 25, 35, 40, 50, 70, 100
滿載時效率:Ⅰ級:≥95 Ⅱ級:≥92
工作溫度:-10
工作溫度:+ 90
防護等級:IP65
標準回程間隙:Ⅰ級:≤5 Ⅱ級:≤8
抗扭剛度:151
額定輸入轉數:3000
輸入轉數:6000
更多型號及參數登錄:http://www.bupermann.com/
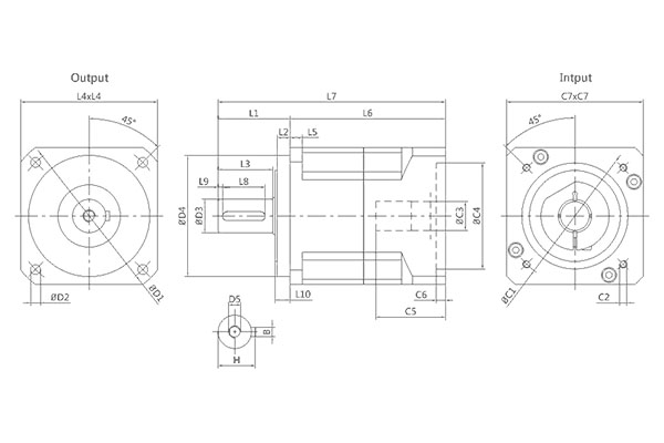
行星減速機產品安裝尺寸:

行星減速機產品圖片:



![]() |
友情提醒:為保障您的利益,建議優先選擇![]() ![]() 會員。
|