三環減速器結構、工作原理及振動、噪聲分析
§2-1 引言
三環減速器是90年獲國家優秀專利的新型通用減速(或增速)裝置,與其它類型的傳動裝置相比較,它具有體積小、重量輕、承載能力大、生產成本低等一系列優點,已開始在各工業部門得到應用,并已被列為國家重點推廣應用的重大項目之一。但由于這種傳動形式問世僅幾年,對其的結構原理、運動學分析、動力學分析、材料、強度、動態性能及噪聲分析、制造工藝及應用特點等方面還未能開展較全面的理論和實驗分析與研究,本章的內容就是分析了三環減速器的結構及工作原理,并對其的振動機理和噪聲問題進行了理論上的分析和研究。
§2-2 三環減速器的結構及工作原理
§2-2.1 三環減速器傳動原理
齒輪傳動是最常見的傳動形式,由一系列相互嚙合的齒輪組成傳遞運動的輪系,輪系可分這定軸輪系和動軸輪系兩大類,行星齒輪傳動屬于動軸輪系中的一種,而少齒差行星齒輪傳動機構實質上是一個由平面四桿機構和內嚙合齒輪副組成的齒輪連桿組合傳動機構。
三環減速器實質上就是一種雙曲柄輸入式、內齒輪作圓周平動而外齒輪用于輸出的少齒差行星齒輪傳動機構。原理如圖2-1所示。雙曲柄機構1-1以轉速

輸入運動,通過連桿2及與連桿相固連的內齒輪了將運動傳給外齒輪4,并通過外齒輪4將運動傳遞給5

輸出運動和動力,其傳動比為:
i=-

(2.1)
圖2-1
式中:Z1——外齒輪齒數;
Z2——內齒輪齒數。
眾所周知,雙曲柄機構的最大缺點就是存在死點位置,即當曲柄,與連桿共線時,機構處理運動不確定位置,其傳動角為零,機械無法運動。為了克服死點位置,目前已出現了三種解決方法:其一是在同一行星輪上布置多套雙曲柄機構的方法:其二是采用雙曲柄動力輸入式方法;基三是采用多相并列式雙曲柄機構來克服死點的方法。三環減速器就是用三相并列雙曲柄機構來克服死點位置,如圖2-2所示。
圖2-2
三相曲柄機構AB
1C
1D、AB
2C
2D、AB
3C
3D互為120°角排列以克服死點位置,而分別與三相曲柄機構相固連的內齒輪

,同時與外齒輪

相相嚙合,將輸入軸運動或動力傳遞到與外齒輪

相固聯的輸出軸上。
§2-2.2 三環減速器類型
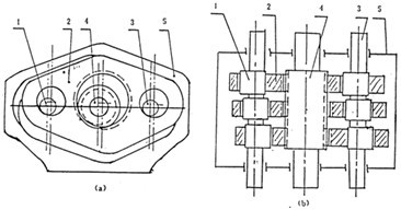
三環減速器通過增加高速軸和低速軸的數量或變更其相互位置,可以構成若干種類型,但其基本形只有兩種,即輸出軸位于輸入軸和支承軸之間的101型和輸出軸偏置的110型,110型適用于大中心距要求的場合。
110型三環減速器的基本構造如圖2-3(a)(b)示,其支承軸3位于輸入軸1和輸出軸4之間,大中心距傳動時,結構比較緊湊,但由于齒板上的嚙合力的作用點位于兩行星軸承之處,機構受力情況不太理想。
101型三環減速器基本構造如圖2-4(a)(b)所示。其輸出軸4位于輸入軸1和支承軸3之間,受力情況要優于110型三環減速器。
圖2-3 110型三環減速器結構簡圖
圖2-4 101型三環減速器結構簡圖
§2-2.3 三環減速器特點
一、傳動比在,適用性強
由于采用了漸開線少齒差內嚙合傳動,可以獲得較大的傳動比,單級傳動的傳動比可達16~90;同時減速器的中心距與齒輪參數無關,可以根據需要設計,故其適用性較強。
二、結構簡單、制造維修方便
由于齒板只做自轉而不做公轉,故沒有一般行星齒輪傳動的行星架或少齒差傳動中的輸出機構;同時,高速軸與低速軸位于同一平面上,各軸兩端支承,減速器箱體可以采用水平分箱,上下組合形式。
三、承載能力高、軸承壽命長
內嚙合齒輪副由于接觸點處齒廓曲線方向相同,所以齒面接觸強度較高,同時,當內、外齒輪的齒數差很少時,運轉時由于輪齒的變形而形成多齒接觸,使行三環減速器有較強的承載能力和過載能力;另外,行星軸承位于內齒圈外,其安裝尺寸容許空間較大,軸承的計算壽命可達到2000小時以上。
四、制造成本低
三環減速器基本構件的材質要求不高,齒面采用的是軟齒面,并經充分跑合后即可滿足承載要求,不需淬火磨削,加工精度要求低,漸開線齒輪在普通齒輪機床上就可以進行加工,其成本僅為擺線針輪減速機的80%左右。
五、傳動交率高
由于取消了輸出機構,同時行星軸承受力較小,三環減速器的傳動效率可達92%~96%左右。
§2-3 三環減速器的振動分析
§2-3.1 三環減速器振動激勵分析
三環減速器是近年來出現的一種應用前景較為廣泛的雙曲柄輸入式漸開線少齒差行星齒輪減速器,由圖2-1、圖2-2、圖2-3可知,它實質上是由平面四桿機構和內嚙合齒輪副組成的齒輪連桿組合傳動機構,因此,引起三環減速器振動的原因除了有齒輪機構產生的外,還應考慮平面四桿機構所引起的振動。
造成三環減速器產生振動的激勵頻率有如下幾個方面:
1、內嚙合齒輪副產生的激勵頻率包括:
(1)內嚙合頻率:
如圖2-5所示,輪齒的嚙合頻率ft為:
f
t=

(1+i)=

赫茲 (2.2)
式中Z1、Z2分別為外齒輪、內齒輪的齒數,而N1、N2分別為各自轉速,單位為轉/分,i為傳動比。
圖2-5
(2)內嚙合頻率的各階諧波頻率。
(3)內嚙合頻率的各階分諧波頻率。
(4)轉動軸頻
f=

赫茲 (2.3)
式中N為轉速,單位為轉/分鐘。
2.軸承等傳動件產生的激勵頻率滾動軸承旋轉頻率為:
a.外圈頻率:

(2.4)
b.內圈頻率:

(2.5)
c.滾子元件頻率: (Hz)

(2.6)
d.保持架頻率: (Hz)

(2.7)
式中:d—滾動元件直徑;
D—軸承的節徑;
β—接觸角;
n—滾動元件數量;
N—轉速。
3.平面桿四桿機構產生的激勵頻率
a.機構不平衡重頻率及其各階諧波頻率
fw=N/60(Hz) (2.8)
b.死點沖擊頻率及其各階諧波頻率
fsx=2N/60(Hz) (2.9)
fst=2ft (Hz) (2.9.b)
式中,N為輸入軸轉速,單位rad/min
§2-3.2 三環減速器振動機理分析
三環減速器的傳動原理如圖2-2及圖2-3示。為了簡化分析,作如下假設:
1.各種加工安裝誤差不計;
2.三環板嚙合力交化規律相同,僅相差120°相位;
3.高速軸單軸輸入;
4.勻速轉動;
5.除死點位置及其鄰域外,中間轉臂軸偏心套構成的從動軸柄可簡化為二力桿;
6.離心慣性力不計,重力不計(三環板離心慣性力相互抵消,殘余慣性力極小)。
7.輸入、輸出扭矩為常數。
以下分析中,各符號定義如下:
FAr、FA、FB、FBr、Fn——環板受力;
F、Fn1——三環板當量嚙合力及第i環板嚙合力;
K1——第i環板嚙合剛度;

——無量綱力;
Ma、Jo——環板質量與轉動慣量;
ф——環板機構轉角;
L
1——L
1=

;
L
2——L
2=

;
R——齒圈節圓半徑;
δ——嚙合點切向變形量;
a——壓力角。
一、力學模型
按上述假定,我們可僅取其中任一塊環板進行受力分析,如圖2-6所示。
MaX=∑Fx
MaY=∑Fy (2.10)
Jcф=∑M
c(

)
由上式可以推出無量綱力:
ф≠K

, K=0,1,2……, Fn≠0
圖2-6 環板受力模型
由以上諸式可以看出,

僅相差常數,規律相同,

為接近1的常數(通常 a=20°,
Ar=0.9397),這些力的變化規律與F
n的周向變化規律無關,

的變化規律如圖2-7所示。當ф=k

時,即機構過死點處時,

存在無窮大間斷點,這正是上述假設5的結果。

圖2-7 無量綱力
圖2-8 三環板靜不定系統簡化模型
實際上,環板的受力與Fn(ф)有關,因為三塊環板共同受載時彼此約束,構成靜不定系統,如簡化模型圖2-8所示。
圖2-9 嚙合點切向位移、綜合剛度與嚙合力
根據有限元分析結果,嚙合點受單向載荷時,齒圈嚙合點切向位移有如圖2-9所示的規律,且各環板受力應滿足變形協調條件:
F=Fn1+Fn2+Fn3

(2.12)
因此對應的綜合剛度K(

)與嚙合力F
n(

)也相應地如圖2-9所示。
二、環板受力分析
因F
n(K

)≠0,則當環板機構過死點位置時,該雙軸柄機構將在嚙合力F
n與輸入軸驅動力F
Ar的作用下產生反轉力矩,有可能在機構的該運動狀態的不確定位置ф=K

處由正向雙曲柄機構變成反向雙曲柄機構,而在此時,另兩套雙曲柄機構將通過轉臂軸與偏心套的鍵聯接處產生推動該環板過死點位置的作用力,克服其反轉,從而產生沖擊力F
Br,否則F
B、F
A將趨向于無窮大,其物理意義為機構不可能通過死點。顯然,在ф=K

的死點位置的微小領域內,轉臂軸的二力桿假設不在再成產。沖擊力F
Br的峰值由該時刻的動力學方程(2-10)可導出為:

(2.13)
理論上,該力僅在ф=K

點產生,而F
A、F
B將在此點處趨于無窮大。考慮實際結構的彈性變形等因素,F
Br應在ф=K

的一轉角領域內ф=K

ф產生,而F
B、F
A在該鄰域內由正(或負)向峰值過零轉變為負(正)向峰值,如圖2-10所示。這是因為F
B、F
A在死點位置附近迅速增大產生的彈性變形也會使環板產生微小反轉角度,而導致F
Br的產生,顯然該微小角度領域的大小以及F
B、F
A所能達到的峰值決于環板的剛度。剛度越大,該領域越小,F
B、F
A峰值越大,F
Br的大小與嚙合力及無量綱參數(

)成正比。一般情況下,高速重載的三環減速器、環板機構的剛度嚙合力等均較大,因此死點處受到的沖擊越大,且沖擊脈沖寬度小(反比于角速度),激振頻率更寬,更易激起廣泛的共振。
因此任何導致環板間承載不均的誤差因素都將引起沖擊力,因高速軸同側布置與雙側布置相比

約大3位,在同等條件下,雙側布置所受的沖擊力小。
同理,對于齒輪副來說,在ф=K

的某一轉角領域ф=K

ф內,嚙合力也將由F
n趨于零然后又增大到F
n而產生沖擊,而且在嚙合點處的沖擊力要大于支承軸處的沖擊力F
Br。
這一節也解釋了式(2.9)的由來。
圖2-10 轉臂軸在死點位置附近受力
三、箱體受力分析
三環板間彼此構成約束,因此一板過死點時產生的沖擊力FA、FB之反力將相向作用于兩根高速軸上,它們本質上構成平衡內力,但作用于不同位置,將引起各部件的振動,但不令引起箱體的整體振動。
另一方面,在ф=K

處的環板受力及兩高速軸的受力分析表明,由沖擊力F
Br以有F
Ar在ф=K 處的變化將在箱體上產生不平衡的沖擊力矩為:
M=

FAL
1(

)cos (2.14)
這一沖擊力顯然將會引起箱體的擺振并將引起基礎的振動。
以上的有關三環減速器的振動理的分析的有關結論,我們將通過后續章節的試驗予以分析并驗證。
§2-4 三環減速器的噪聲分析
§2-4.1 三環減速器噪聲的產生及傳播
運動著的機械必然產生振動,而機械噪聲大部分是由于工程機械的振動而輻射的。機械噪聲的類型很多,按聲強隨時音質變化情況主要可以分為三種:穩態噪聲、周期噪聲和脈沖噪聲。穩態噪聲是由于隨機力或穩態力的作用下而產和噪聲;周期性噪聲是在周期力作用下產生的噪聲;脈沖(沖擊)噪聲是由機械沖擊力產生的噪聲。在實際的機械噪聲中,這三種噪聲不會單獨存在,而往往同時存在,互相迭加而形成混合噪聲,這振動的機械或部件就是產生噪聲的噪聲源。
三環減速器中各傳動部件,如內嚙合齒輪副、軸、軸承、環板、潤滑等都是減速器產生機械噪聲的噪聲源,各噪聲源發出的聲波,在箱內遇到箱壁和其它結構時,一部分被反射,重新回到箱體內,另一部分被箱體或其它部件吸收,還有一部分透過箱壁產生折射或穿過箱體縫隙及開口處發射到箱體外面。同時,由于減速器箱體內各部件的振動激勵(詳見§2-3節),經軸承座傳遞到箱體,造成箱體振動而輻射出機械噪聲。
三環減速器向外副射的噪聲按其傳播途徑大致可分為兩類:固體傳播噪聲和空氣傳播噪聲。
其傳播途徑如圖2-11所示。
圖2-11 三環減速器噪聲傳播途徑
從圖中可知,固體傳播噪聲是由傳遞中的振動激勵引起的,環板沖擊及輪齒嚙合振動通過軸、軸承、軸承座傳向箱體和機座;引起振動而輻射的噪聲通過箱壁向外輻射,此外,由軸的振動引起的噪聲的一部分直接向箱體外輻射。
當三環減速器內部的各種振動激勵源的頻率與箱體的固有頻率接近或一致時,將產生共振,此時,箱體將輻射出較大的機械噪聲。
§2-4.2 三環減速器噪聲的研究方法
三環減速器是一種雙曲柄輸入式漸開線少齒差行星齒輪減速器,當它傳遞運動和動力時,各種振動激勵源激起箱體振動而輻射出機械噪聲,這種機械噪聲為固體傳達室播噪聲,具有關研究資料表明,固體傳播噪聲的輸出能量是噪聲發出能量的95%以上,因此,我們在對三環減速器進行噪聲分析研究時,把工作重點放在箱體受激勵振動而輻射出的固體傳播噪聲上。
三環減速器受激而使箱體產生振動,進而輻射出噪聲,這里受激勵作用是箱體產生振動的原因所在,而振動又是箱體輻射出噪聲的原因之所在,換句話說,三環減速器振動系統由于受到激勵作用后,而產生的效果有兩種表現形式,一是振動,二是噪聲,二是是相互緊密相連的,它們之間必然存在著一種確定的定量關系,一般而言,振動大,噪聲也大,但其噪聲的量值,卻不僅與振動量大小有關,而且與各頻率下的輻射效率等許多因素有關。對于某一確定的齒輪箱體及某一單頻率噪聲,箱壁輻射聲能的大小與箱壁表面振動速成度及表面積大小正比,且可認為體現該比例的輻射系數在整個噪聲頻域內,是一個僅與噪聲頻率、箱體材料特性、幾何形狀有關的確定函數。這樣,我們就能通過測試箱壁振動來求出齒輪箱的輻射噪聲。
對三環減速器的噪聲問題進行較完整系統地研究,就必須從理及實驗兩個角度來進行。
一、三環減速器噪聲問題理論研究
所謂的三環減速器噪聲問題的理論研究就是噪聲予估問題的研究,對箱體而言,若能在它尚處于設計藍圖階段時,即能根據其結構參數、精度等級、預定工況等條件,預估其將來的噪聲水平,并進一步以此為根據,找出齒輪箱各組成零部件的最佳結構、精品,加速設計制造進程,并能提供主動的振動與噪聲的控制手段。
在本研究中,我們首先SUN工作站上對三環減速器箱體進行建模動態分析計算,然后從實際工況中識別出激勵載荷,然后加到模型上進行計算,算出其發射噪聲的預估值,為三環減速器的設計,制造、生產提供理論依據。
二、三環減速器噪聲問題的實驗研究
設計試驗方案,對三環減速器進行噪聲及振動試驗,通過試驗可以測出箱體表面的振動狀態及其噪聲發射值——聲強的值及規律,對預估值進行驗證其正確性,為噪聲控制提供必要的依據。