4單面嚙合綜合誤差的檢驗
單面嚙合(簡稱單嚙)綜合誤差的檢驗包括切向綜合誤差△Fi′和一齒切向綜合誤差△fi′的檢驗。
4.1測量方法和測量儀器
單嚙綜合誤差的測量方法有嚙合法和坐標法。
嚙合法的測量儀器有齒輪單面嚙合檢查儀和齒輪單面嚙合整體誤差測量儀等。
坐標法的測量儀器有萬能齒輪測量機等。
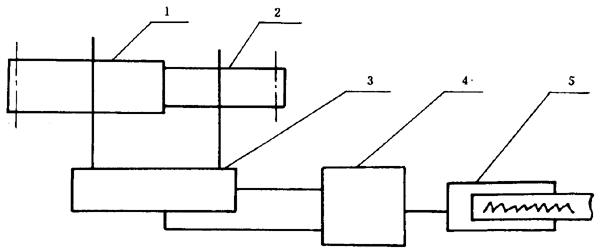
4.1.1嚙合法測量原理
嚙合法測量原理參見圖1。以被測齒輪回轉軸線為基準,使被測齒輪2與測量齒輪1(或測量齒條、測量蝸桿等)作單面嚙合傳動,將此傳動與標準傳動發生裝置3產生的標準傳動相比較,并通過誤差處理系統4連續測量出被測齒輪實際回轉角和理論回轉角的差值,由同步記錄器5將其記錄成功向綜合誤差曲線(圖2),在該曲線上按誤差定義取出△Fi′和△fi′。
圖1 嚙合法測量原理圖
1—測量齒輪;2—被測齒輪;3—標準傳動發生裝置
4—誤差處理系統;5—同步記錄器。
△Fi′和△fi′也可用嚙合法測整體誤差的方法測得,其測量原理見16.1.1。
4.1.2坐標法測量原理
按16.1.2所述原理,測出截面整體誤差曲線或全齒寬整體誤差曲線,在該曲線上按誤差定義取出△Fi′和△fi′。
4.2測量
整體誤差法測量見16.2。
4.2.1測量溫度
見表15。
4.2.2測量儀器的檢定
儀器應按檢定規程或其它有關技術文件的規定進行檢定,經法定部門檢定合格方準使用。
4.2.3測量元件的選擇
嚙合法的測量元件可以是測量齒輪或測量蝸桿。
測量元件的法向模數mn、法向壓力角αn應與被測齒輪一致,其齒形工作部分的齒高應能保證被測齒輪齒形工作部分全被測到。
測量齒輪的精度應符合JB3887的規定;測量蝸桿的精度應符合ZB J42006的規定。
4.2.4測量儀器的校準
測量5級和高于5級精度的齒輪時,測量前必須用經法定部門檢定的標準齒輪對儀器(包括測量無件)進行校準。標準齒輪的檢定誤差不應大于被測齒輪對應誤差項目公差的五分之一。
4.2.5測量基準的確定
見附錄B(補充件)。
4.2.6測量位置的確定
應分別對左、右側齒面整周的每個齒進行測量。被測齒高應大于或等于圖樣規定的工作齒高。
測量元件為測量蝸桿時,對于齒寬小于或等于160mm的直齒輪允許只測齒寬中部截面切向綜合誤差曲線;對于齒寬大于160mm的直齒輪應至少分別測量上、中、下、三個截面的截面切向綜合誤差曲線,上下截面各距端面約百分之十五齒寬;對于斜齒輪應測量至少由五個截面切向綜合誤差曲線組成的全齒寬切向綜合誤差曲線,截面間距應大致相等,上下截面各距端面約百分之十五齒寬。
單側齒面工作的齒輪只測工作側齒面。
4.2.7測量的不確定度
切向綜合誤差的測量不確定度UFi′和一齒切向綜合誤差的測量不確定度Ufi′不應大于被測齒輪對應誤差項目公差有三分之一。測量5級和高于5級精度的齒輪時,允許不大于二分之一,但此時應以五次以上重復測量結果的平均值作為測量結果。
當不能確定測量不確定度能否滿足上述要求時,應進行測量不確定度的計算。
4.2.7.1切向綜合誤差測量不確定度UFi′的計算
UFi′(μm)按下式計算:
式中:δ1——儀器測量切向綜合誤差時的示值誤差[見附錄A(補充件),也允許按儀器檢定規程確定],μm;
δ2——測量元件制造誤差引起的測量誤差,μm;
式中: ——測量齒輪的切向綜合誤差,μm;
δ3——被測齒輪測量時的安裝偏心引起的測量誤差,μm;
δ4——測量元件定位誤差引起的測量誤差,μm;
測量元件為測量齒輪時,
測量元件為測量蝸桿時,
式中:δ41——測量蝸桿安裝偏心引起的測量誤差,μm;
δ42——測量蝸桿端面圓跳動引起的測量誤差,μm;
公式(7)和(8)中當180°/Z0>90°時,取180°/Z0=90°。
若式2中的△T0是在測量前用標準齒輪校準測量蝸桿測得的,即δ4已包括在δ2中,則δ41=0
4.2.7.2一齒切向綜合誤差測量不確定度Ufi′的計算
Ufi′(μm)按下式計算:
式中:δ1——儀器測量一齒切向綜合誤差時的示值誤差[見附錄A(補充件),也允許按儀器檢定規程確定],μm;
δ2——測量元件制造誤差引起的測量誤差,μm;
式中: ——測量齒輪的一齒切向綜合誤差,μm。
δ3——溫度誤差引起的測量誤差,μm;
δ4——被測齒輪測量時的安裝偏心引起的測量誤差,μm;
δ5——測量元件定位誤差引起的測量誤差,μm。
測量元件為測量齒輪時,

測量元件為測量蝸桿時,δ5按公式(6)、(7)(8)計算。
4.3測量結果處理
△Fi′和△fi′應在切向綜合誤差曲線上取值。對直齒輪允許在截面切向綜合誤差曲線上取值。對于斜齒輪允許在曲截面切向綜合誤差曲線組成的全齒寬切向綜合誤差曲線的外輪廓線上取值。
切向綜合誤差曲線(包括截面切向綜合誤差曲線和全齒寬切向綜合誤差的外輪廓線)圖2(a)、圖2(b)的X坐標代表被測齒輪的回轉角,Y坐標代表被測齒輪的回轉角誤差。
切向綜合誤差曲線圖[圖2(a),圖2(b)]沿X坐標360°范圍內,Y坐標的最大變化量為△Fi′;沿X坐標360°/Z范圍內,Y坐標的最大變化量為△fi′。
△Fi′和△fi′應在被測齒輪分度圓切線方向計值(μm),沿其他方向測量時應對測得值進行換算,見附錄C(補充件)。
以在4.2.6規定的各測量位置中測得的最大誤差作為測量結果。
圖2△Fi′和△fi′取值示意圖